GM Service Manual Online
For 1990-2009 cars only
Makes
🢒
Cadillac
🢒
2006
🢒
DTS
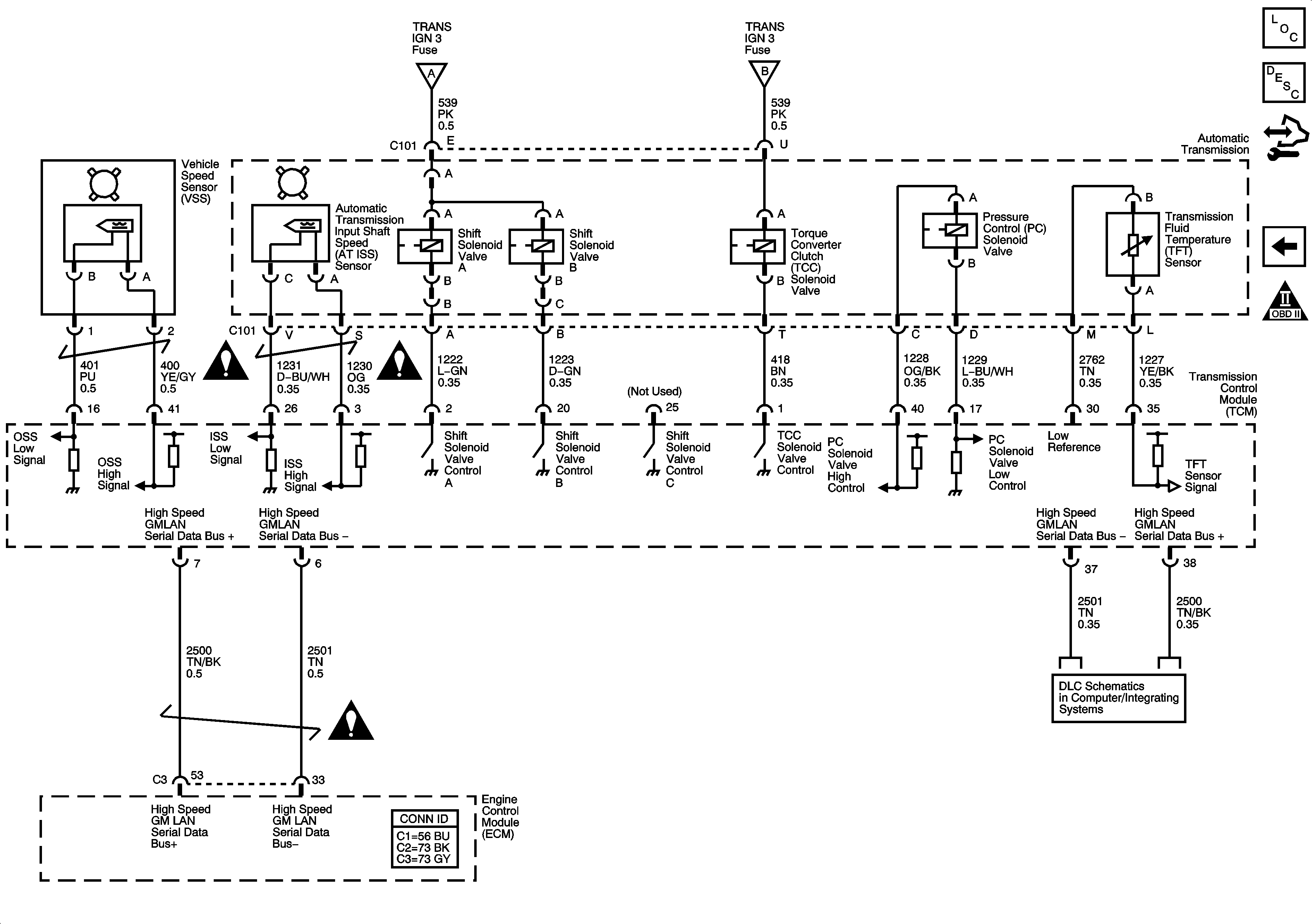
🢒 Solenoids and VSS
Solenoids and VSS
Transmission Solenoids and VSS
Master Electrical Component List
Electronic Component Description
Control Module References
TCM Power Ground
Automatic Transmission Schematic Icons
TCM Power Ground
TCM Power Ground
DLC High Speed Serial Data
Automatic Transmission Schematic Icons
Automatic Transmission Schematic Icons
Automatic Transmission Schematic Icons