GM Service Manual Online
For 1990-2009 cars only
Makes
🢒
Cadillac
🢒
2006
🢒
DTS
🢒 TCM Power Ground
TCM Power Ground
TCM Power Ground
Master Electrical Component List
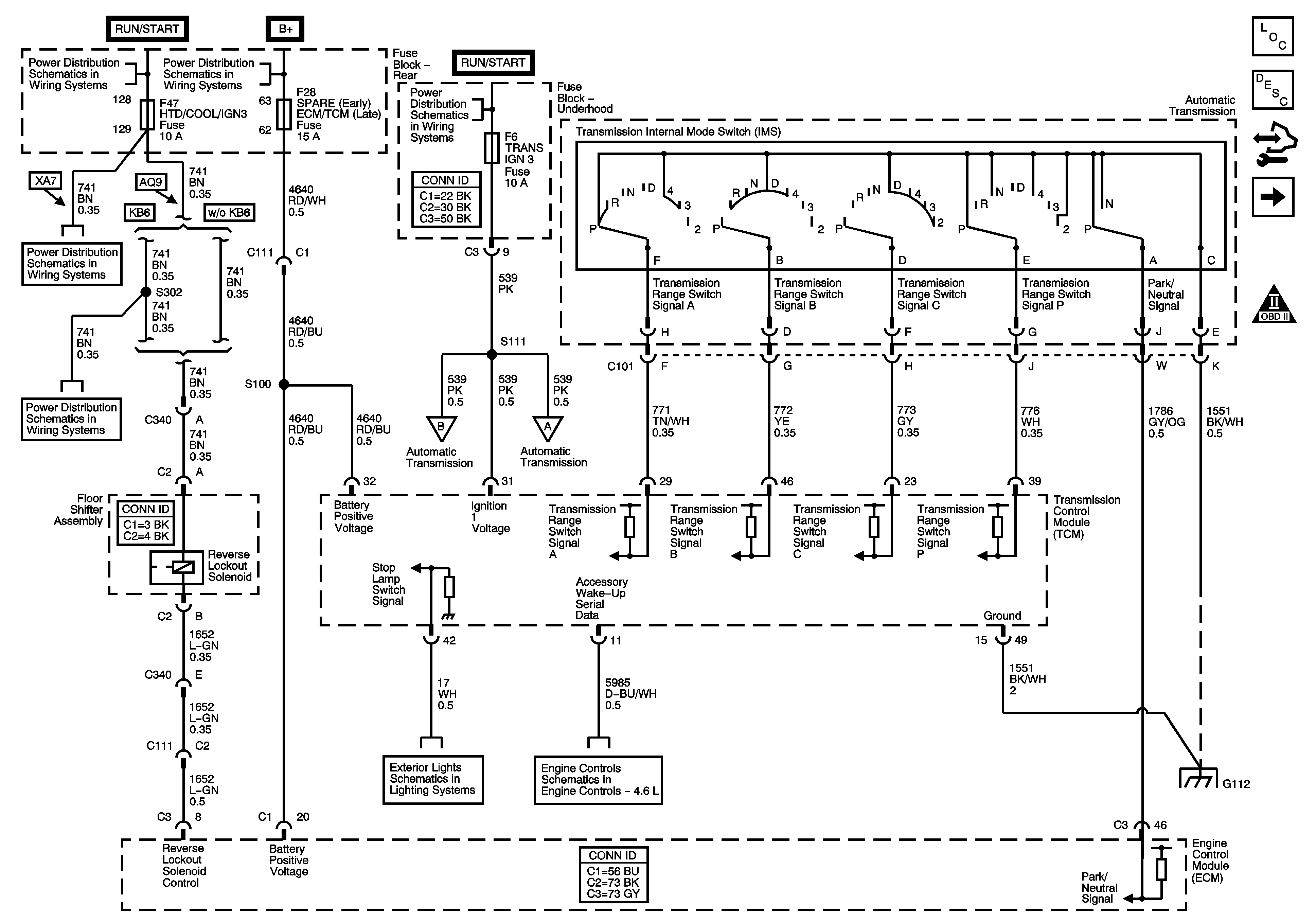
Transmission Component and System Description
Control Module References
Solenoids and VSS
Automatic Transmission Schematic Icons
Rear Fuse Block B+ Bus
Rear Fuse Block B+ Bus
IGN SW Fuse and Ignition Switch 1 of 2
Rear Fuse Block - RUN Relay, REAR HVAC, HTD STR, HTD/COOL/IGN3, BCM LOGIC Fuses
Rear Fuse Block - RUN Relay, REAR HVAC, HTD STR, HTD/COOL/IGN3, BCM LOGIC Fuses
Solenoids and VSS
Solenoids and VSS
Stop/Rear Turn Signal Lamps
Power, Ground, MIL and DLC
G100, G112