GM Service Manual Online
For 1990-2009 cars only
Makes
🢒
Cadillac
🢒
2006
🢒
DTS
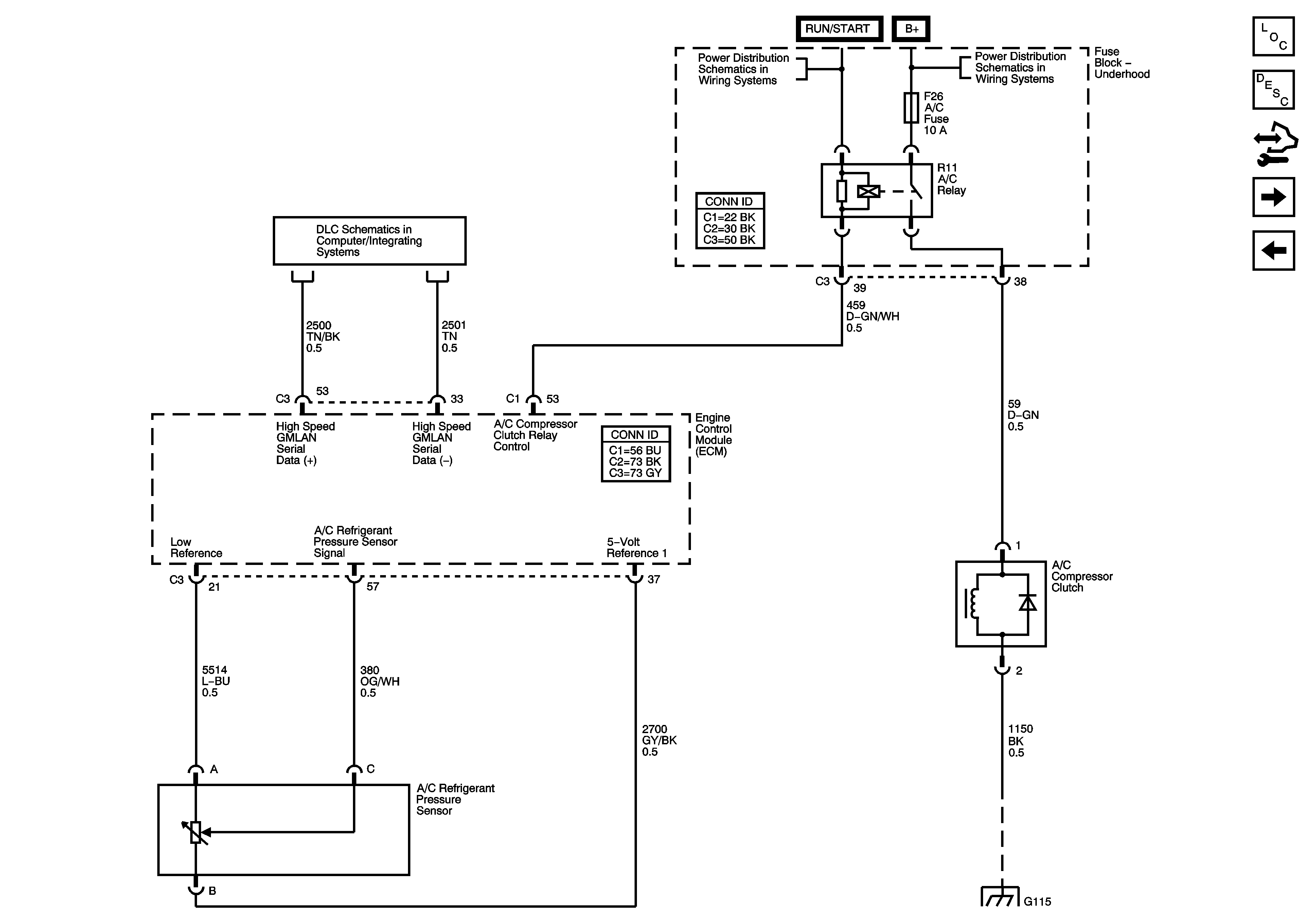
🢒 Compressor Controls
Compressor Controls
Compressor Controls
Master Electrical Component List
Air Temperature Description and Operation
Control Module References
Air Temperature Sensors
Mode and Air Temperature Controls
DLC High Speed Serial Data
Underhood Fuse Block B+ Bus
Underhood Fuse Block B+ Bus
G101, G110, G111, G114, G115, G302, G303, G306, G307