GM Service Manual Online
For 1990-2009 cars only
Makes
🢒
Cadillac
🢒
2006
🢒
DTS
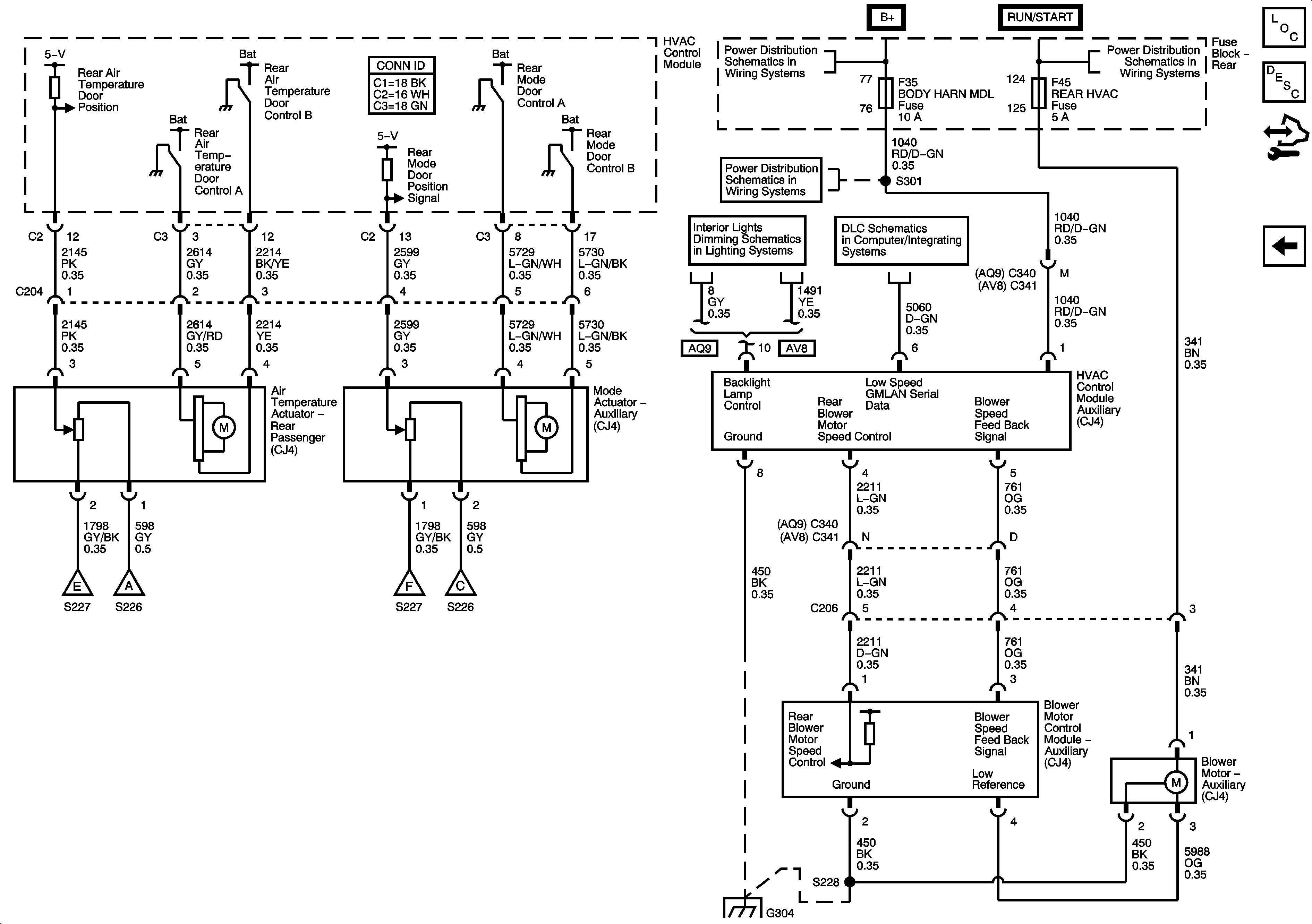
🢒 Auxiliary HVAC CJ4
Auxiliary HVAC CJ4
Auxiliary HVAC (CJ4)
Master Electrical Component List
Air Temperature Description and Operation
Control Module References
Air Temperature Sensors
Mode and Air Temperature Controls
Mode and Air Temperature Controls
Mode and Air Temperature Controls
Mode and Air Temperature Controls
HVAC Control Module, Steering Wheel, Heated Seat KA6, Telltale Assembly Info Center
Rear Fuse Block - AIRBAG, OBJ SNSR, ONSTAR/S-BAND, BODY HARN MDL Fuses
Rear Fuse Block B+ Bus
Rear Fuse Block B+ Bus
DLC Power, Ground, and Low Speed GMLAN
G304