GM Service Manual Online
For 1990-2009 cars only
Makes
🢒
Cadillac
🢒
2007
🢒
DTS
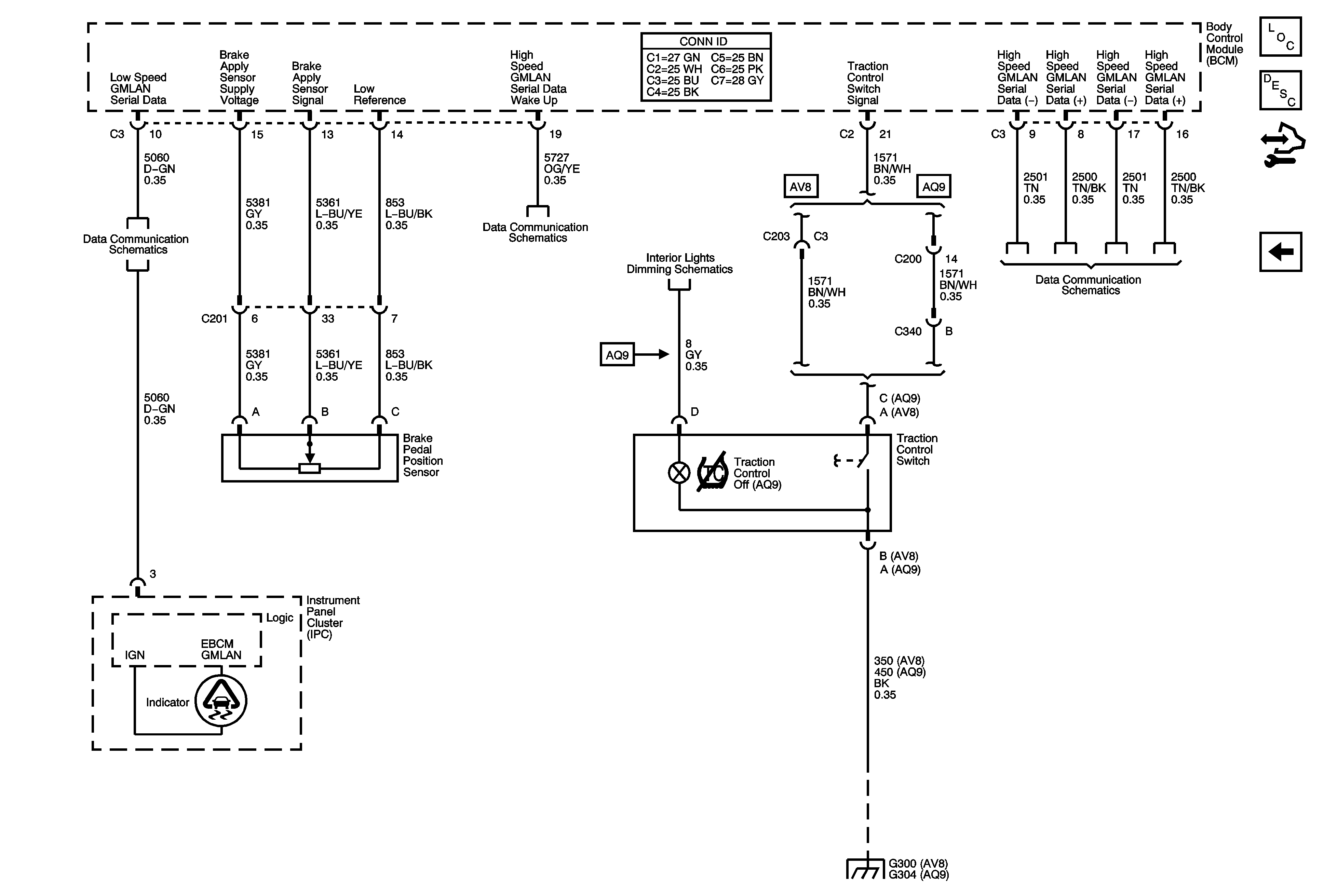
🢒 Brake Pedal Position, Traction Control Switch, Data Link Communications
Brake Pedal Position, Traction Control Switch, Data Link Communications
Brake Pedal Position, Traction Control Switch, Data Link Communications
Master Electrical Component List
ABS Description and Operation
Control Module References
Yaw and Lateral Acceleration, Steering Angle Sensor
Power, Ground and Low Speed GMLAN
High Speed Serial Data, Wake Up
Window, Traction Control, Sun Shade, Sunroof Switches, Reverse Lockout Solenoid, Garage Door Opener, Rear Compartment Courtesy Lamp
High Speed Serial Data
G300