GM Service Manual Online
For 1990-2009 cars only
Makes
🢒
Cadillac
🢒
2007
🢒
DTS
🢒 Engine Cooling Schematics
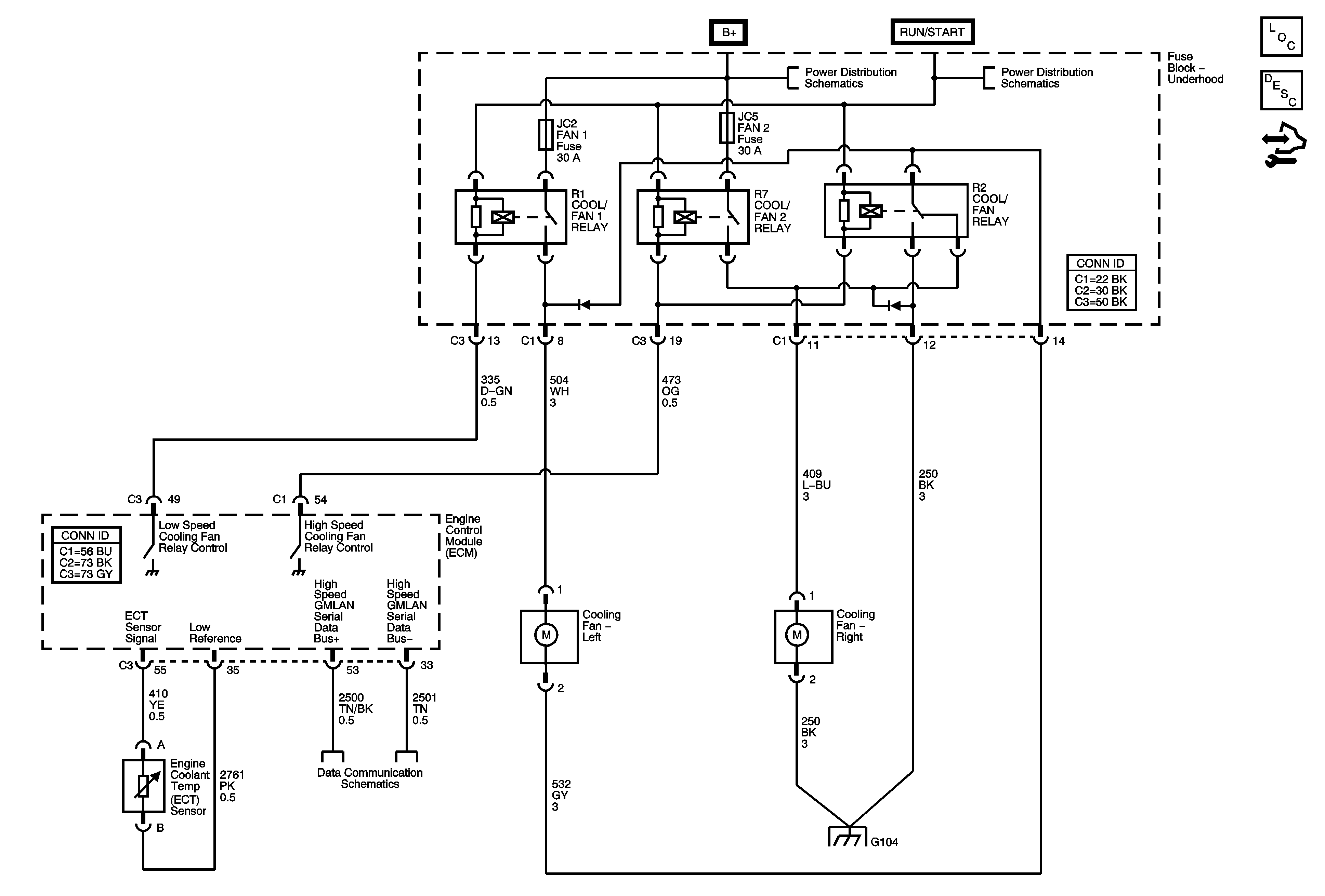
Engine Cooling Schematics
Master Electrical Component List
Cooling Fan Description and Operation
Control Module References
Underhood Fuse Block B+
Underhood Fuse Block B+
High Speed Serial Data
G104