GM Service Manual Online
For 1990-2009 cars only
Makes
🢒
Cadillac
🢒
2007
🢒
DTS
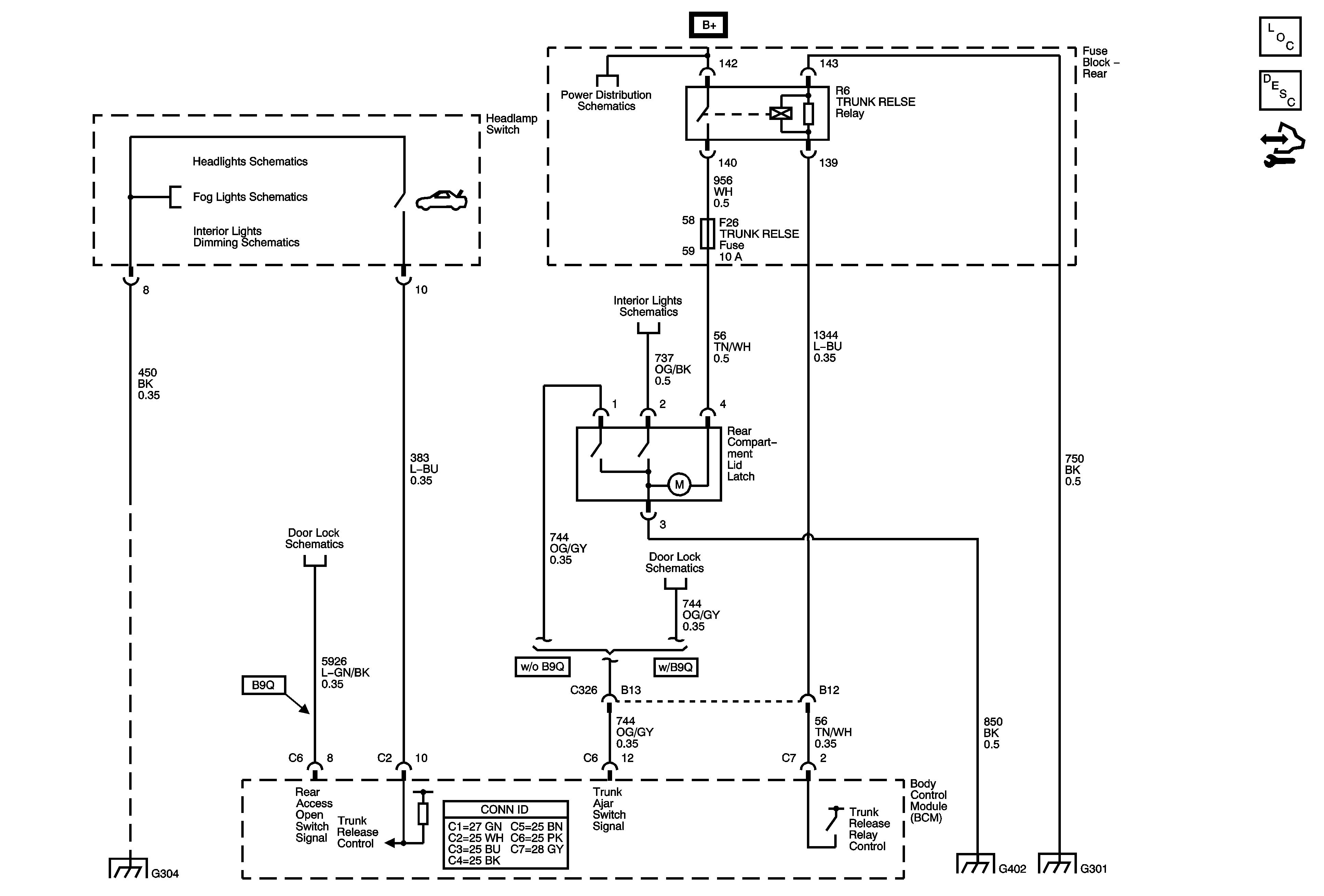
🢒 Trunk Release and Rear Compartment Lid Latch
Trunk Release and Rear Compartment Lid Latch
Master Electrical Component List
Luggage Compartment Description and Operation
Control Module References
Headlamp Switch
Fog Lamps Schematics
Hazard, Headlamp, Driver Information Display Switches, Ashtray, HVAC Control Module, Radio, Clock
Rear Fuse Block B+
Vanity Mirror, Rear Compartment Courtesy, I/P Compartment, Overhead Console
Rear Door Latch Assemblies - B9Q
Rear Door Latch Assemblies - B9Q
G304
G402
G301