GM Service Manual Online
For 1990-2009 cars only
Makes
🢒
Cadillac
🢒
2007
🢒
DTS
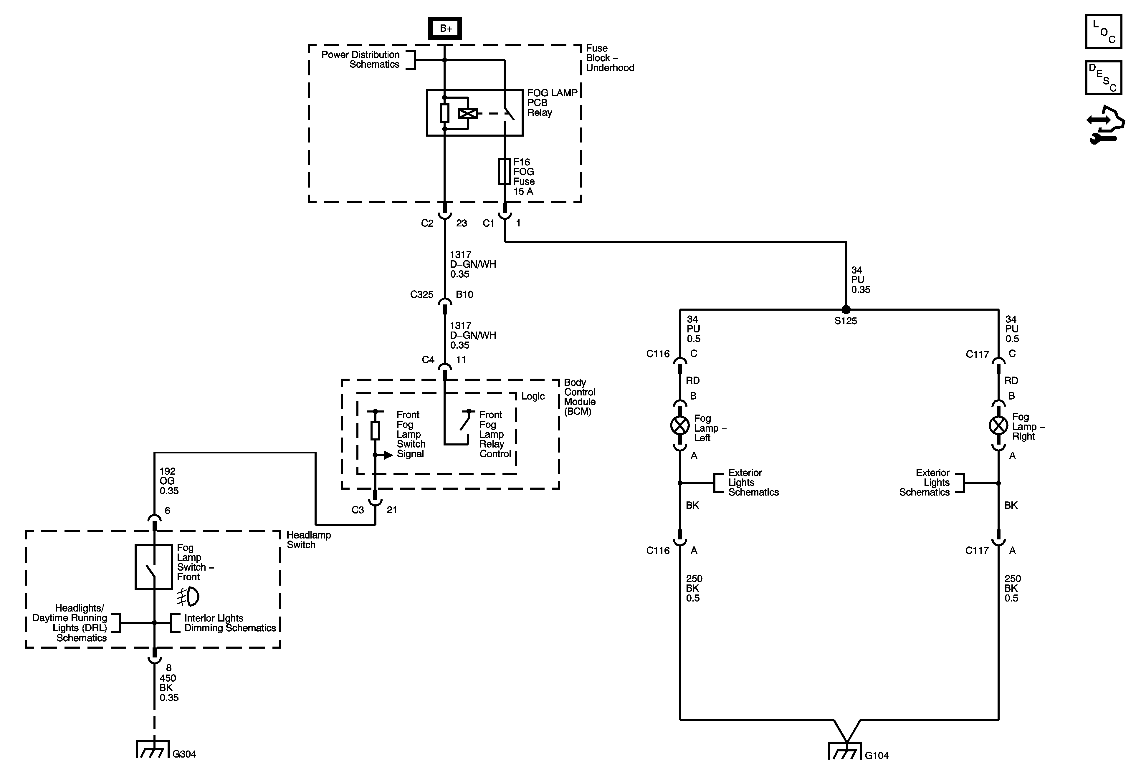
🢒 Fog Lamps Schematics
Fog Lamps Schematics
Exterior Lighting Systems Description and Operation
Underhood Fuse Block B+
Headlamp Switch
Hazard, Headlamp, Driver Information Display Switches, Ashtray, HVAC Control Module, Radio, Clock
G304
Cornering Lamps
Cornering Lamps
G104