GM Service Manual Online
For 1990-2009 cars only
Makes
🢒
Cadillac
🢒
2007
🢒
DTS
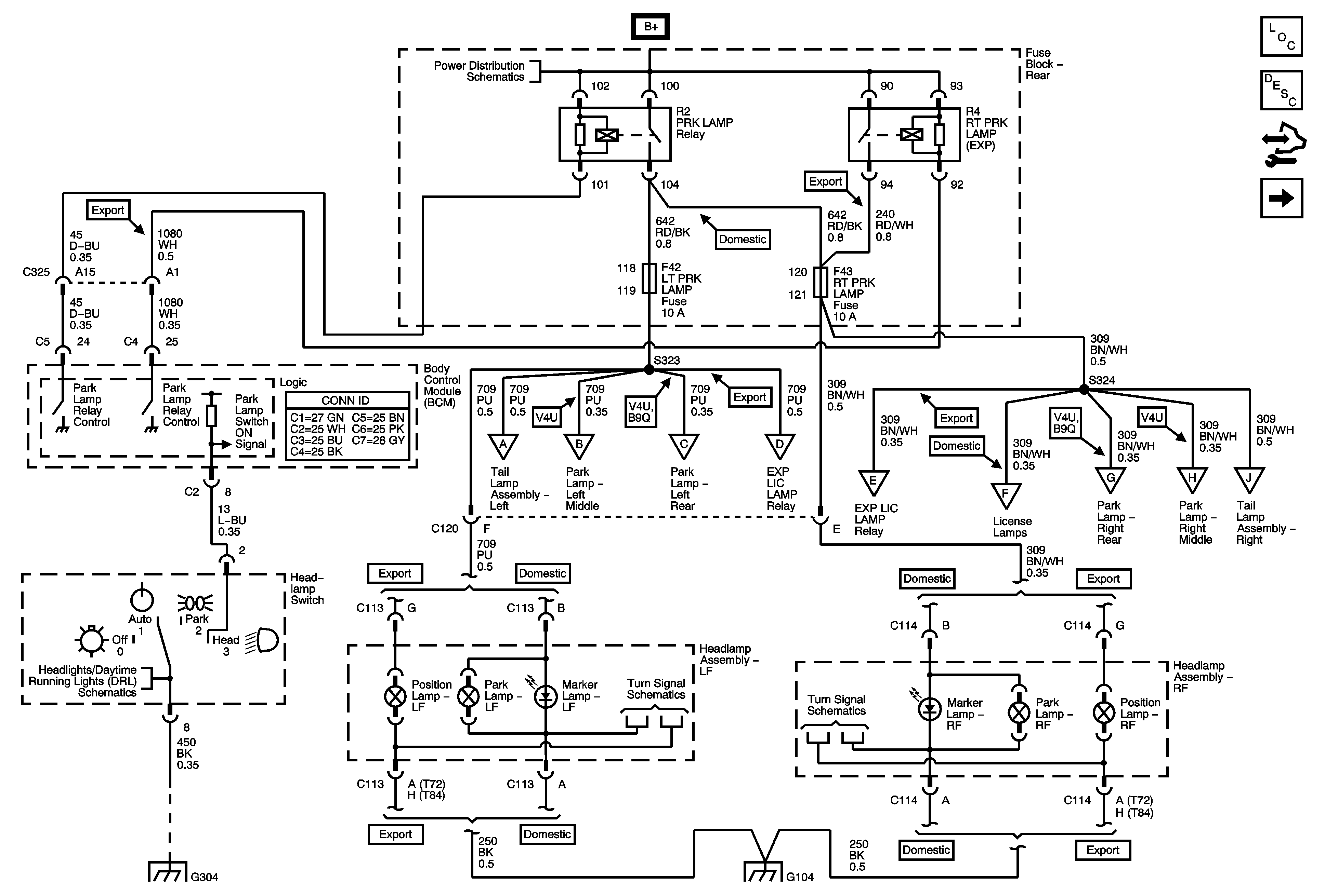
🢒 Front Park, Marker, Position Lamps
Front Park, Marker, Position Lamps
Front Park, Marker, Position Lamps
Exterior Lighting Systems Description and Operation
Rear Park and Tail Lamps
Rear Fuse Block B+
Headlamp Switch
G304
Rear Park and Tail Lamps
Rear Park and Tail Lamps
Rear Park and Tail Lamps
License Lamps
Front Turn Signal/Hazard Lamps
G104
Front Turn Signal/Hazard Lamps
License Lamps
License Lamps
Rear Park and Tail Lamps
Rear Park and Tail Lamps
Rear Park and Tail Lamps