GM Service Manual Online
For 1990-2009 cars only
Makes
🢒
Cadillac
🢒
2007
🢒
DTS
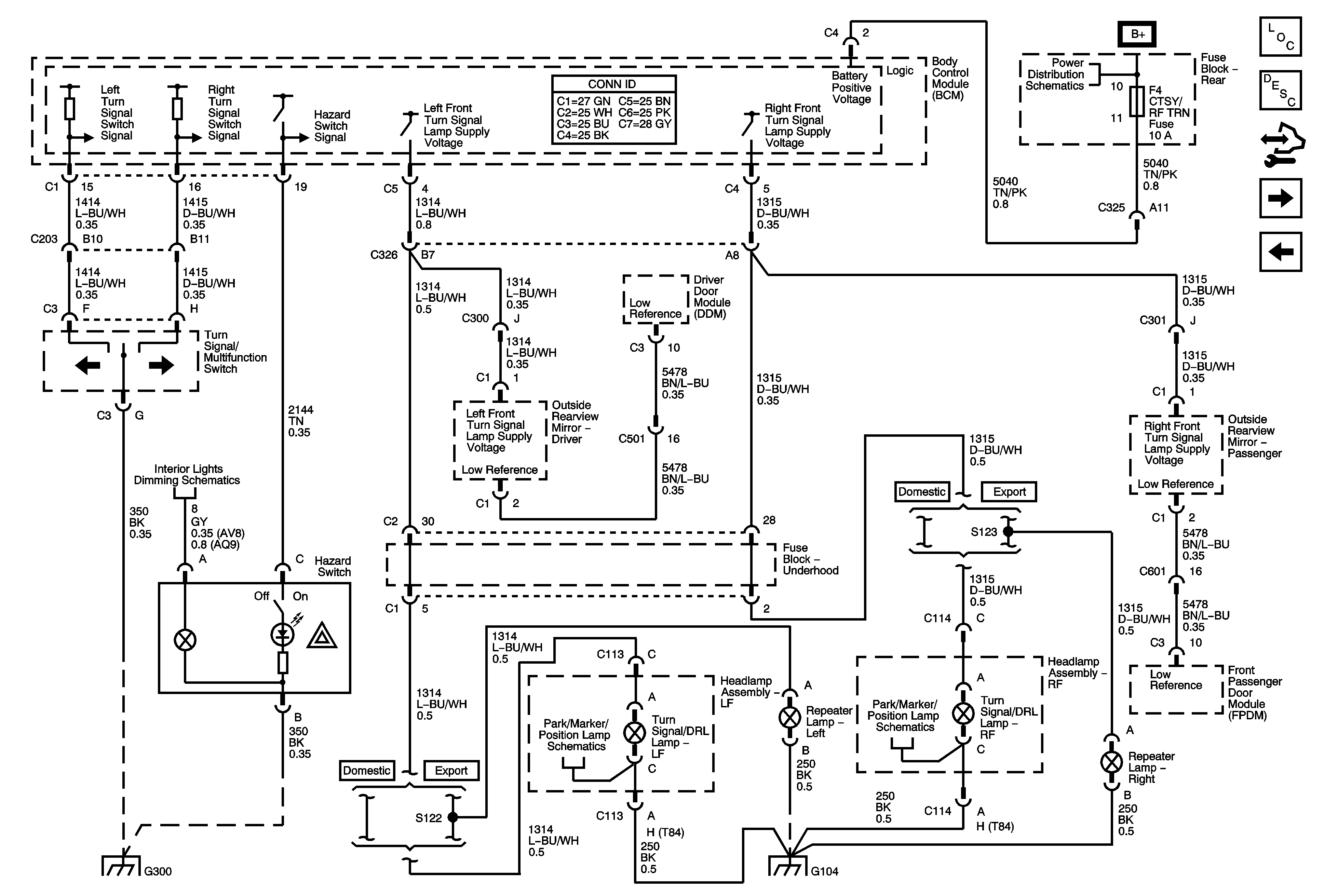
🢒 Front Turn Signal/Hazard Lamps
Front Turn Signal/Hazard Lamps
Front Turn Signal/Hazard Lamps
Exterior Lighting Systems Description and Operation
Cornering Lamps
License Lamps
Hazard, Headlamp, Driver Information Display Switches, Ashtray, HVAC Control Module, Radio, Clock
G300
Front Park, Marker, Position Lamps
G104
Front Park, Marker, Position Lamps