GM Service Manual Online
For 1990-2009 cars only
Makes
🢒
Cadillac
🢒
2007
🢒
DTS
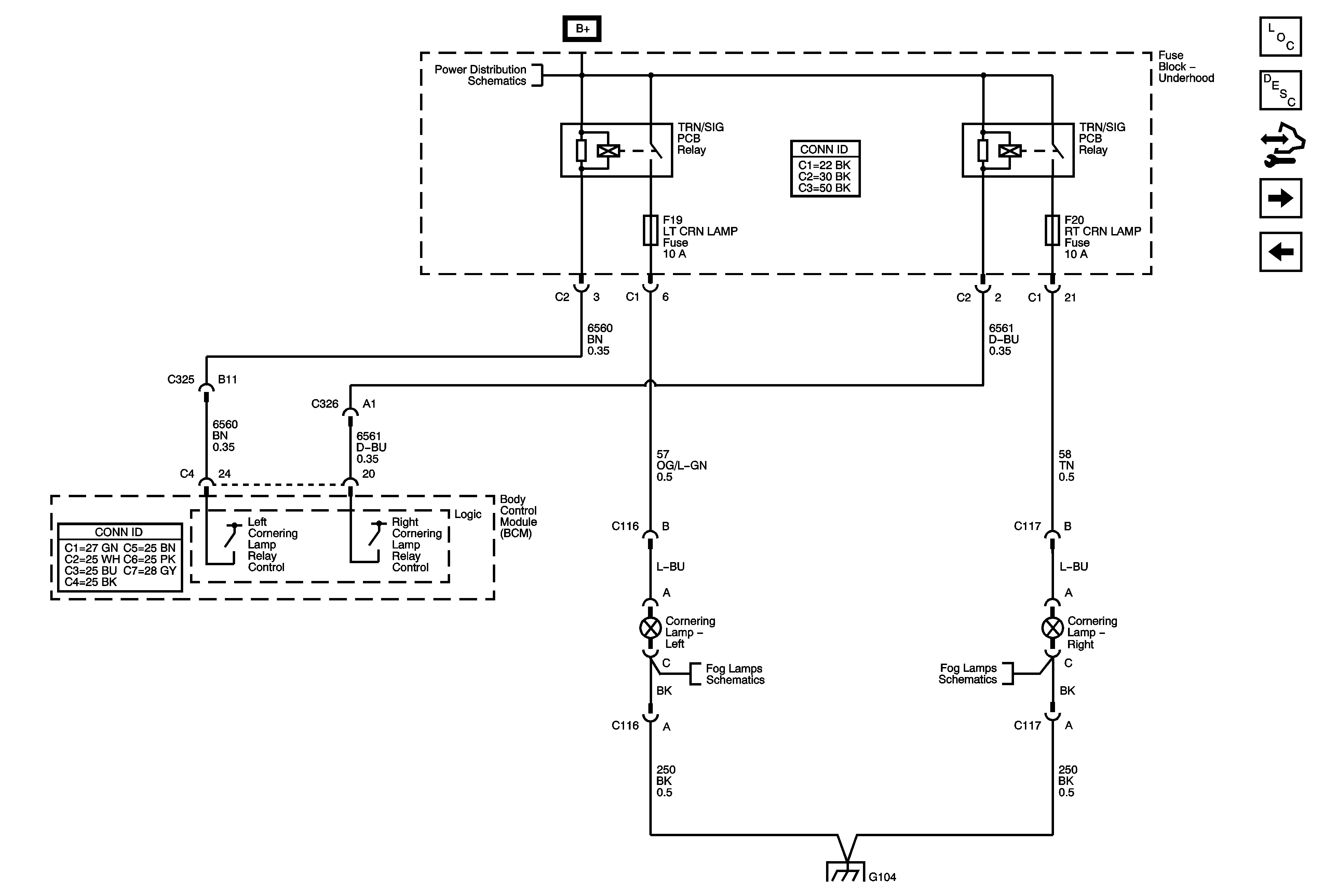
🢒 Cornering Lamps
Cornering Lamps
Cornering Lamps
Exterior Lighting Systems Description and Operation
Stop/Rear Turn Signal Lamps
Front Turn Signal/Hazard Lamps
Underhood Fuse Block B+
Fog Lamps Schematics
Fog Lamps Schematics
G104