GM Service Manual Online
For 1990-2009 cars only
Makes
🢒
Cadillac
🢒
2007
🢒
DTS
🢒 Indicators
Indicators
Indicators
Master Electrical Component List
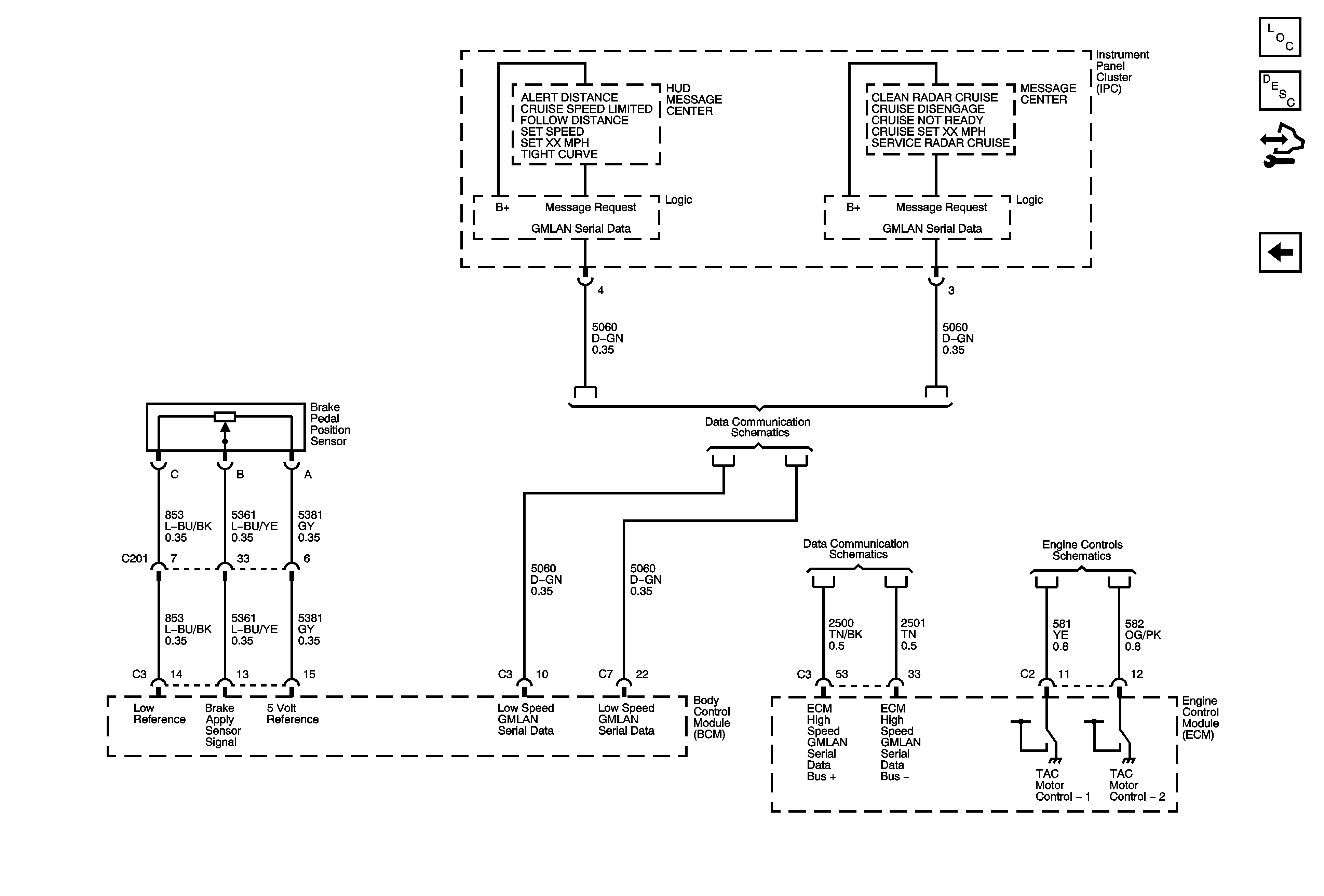
Cruise Control Description and Operation (Conventional Cruise Control)
Control Module References
Distance Sensing Cruise Control Module
Power, Ground and Low Speed GMLAN
High Speed Serial Data
Engine Data Sensors, APP and Throttle Body Assembly