GM Service Manual Online
For 1990-2009 cars only
Makes
🢒
Cadillac
🢒
2007
🢒
DTS
🢒 Distance Sensing Cruise Control Module
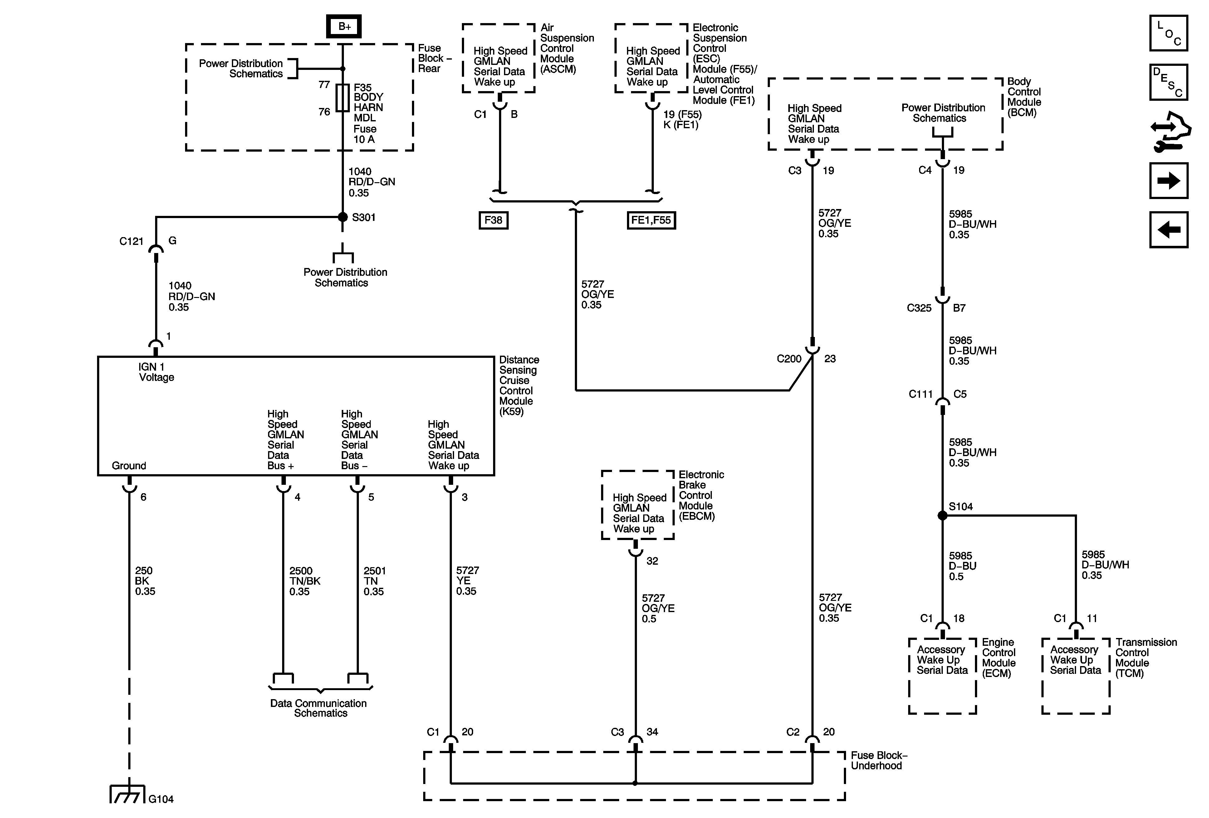
Distance Sensing Cruise Control Module
Distance Sensing Cruise Control Module
Master Electrical Component List
Cruise Control Description and Operation (Adaptive Cruise Control)
Control Module References
Indicators
ON/OFF Switch
Rear Fuse Block B+
Rear Fuse Block - AIRBAG, OBJ SNSR, ONSTAR/S-BAND, BODY HARN MDL Fuses
Rear Fuse Block - IGN SWTCH, STR/WHL ILLUM Fuses
G104
High Speed Serial Data