GM Service Manual Online
For 1990-2009 cars only
Makes
🢒
Cadillac
🢒
2007
🢒
DTS
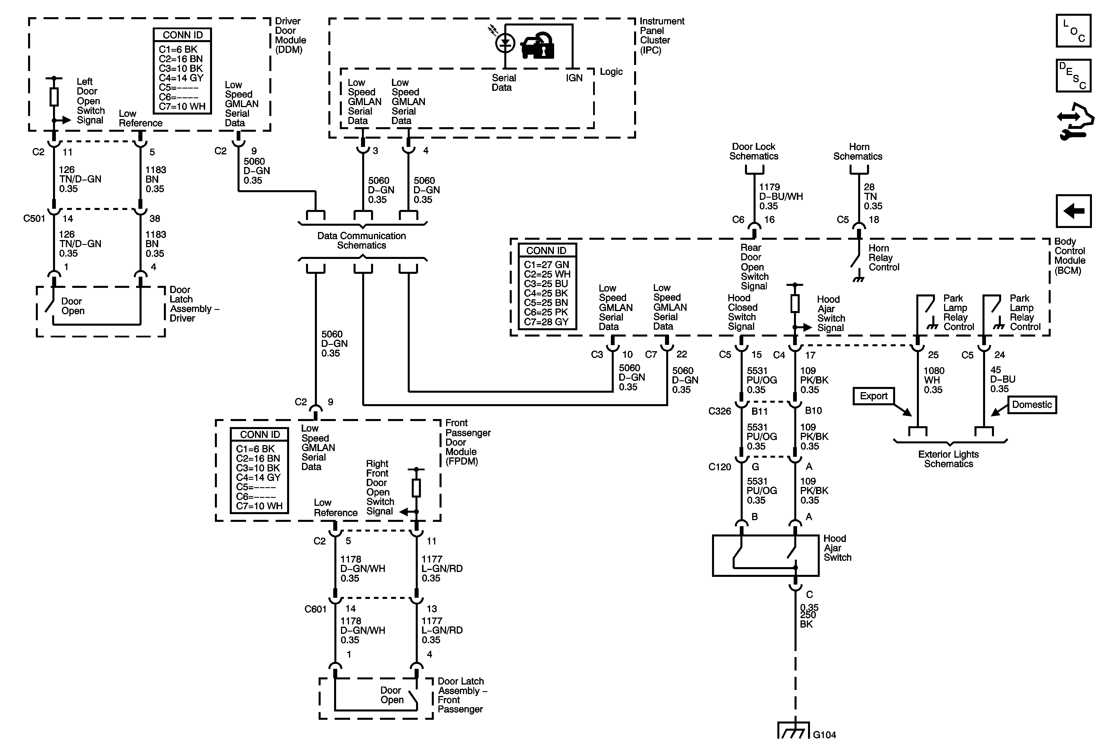
🢒 Door Latch Assemblies and Hood Ajar Switch
Door Latch Assemblies and Hood Ajar Switch
Door Latch Assemblies and Hood Ajar Switch
Master Electrical Component List
Keyless Entry System Description and Operation (without Accessory 2 Way Remote)
Control Module References
Remote Control Door Lock Receiver (RCDLR)
Power, Ground and Low Speed GMLAN
Door Lock, Unlock Relays
Horn Schematics
Front Park, Marker, Position Lamps
G104