GM Service Manual Online
For 1990-2009 cars only
Makes
🢒
Cadillac
🢒
1998
🢒
DeVille
🢒 (Cell 67 (1 of 2))
(Cell 67 (1 of 2))
(Cell 67 (1 of 2))
HVAC Component Views
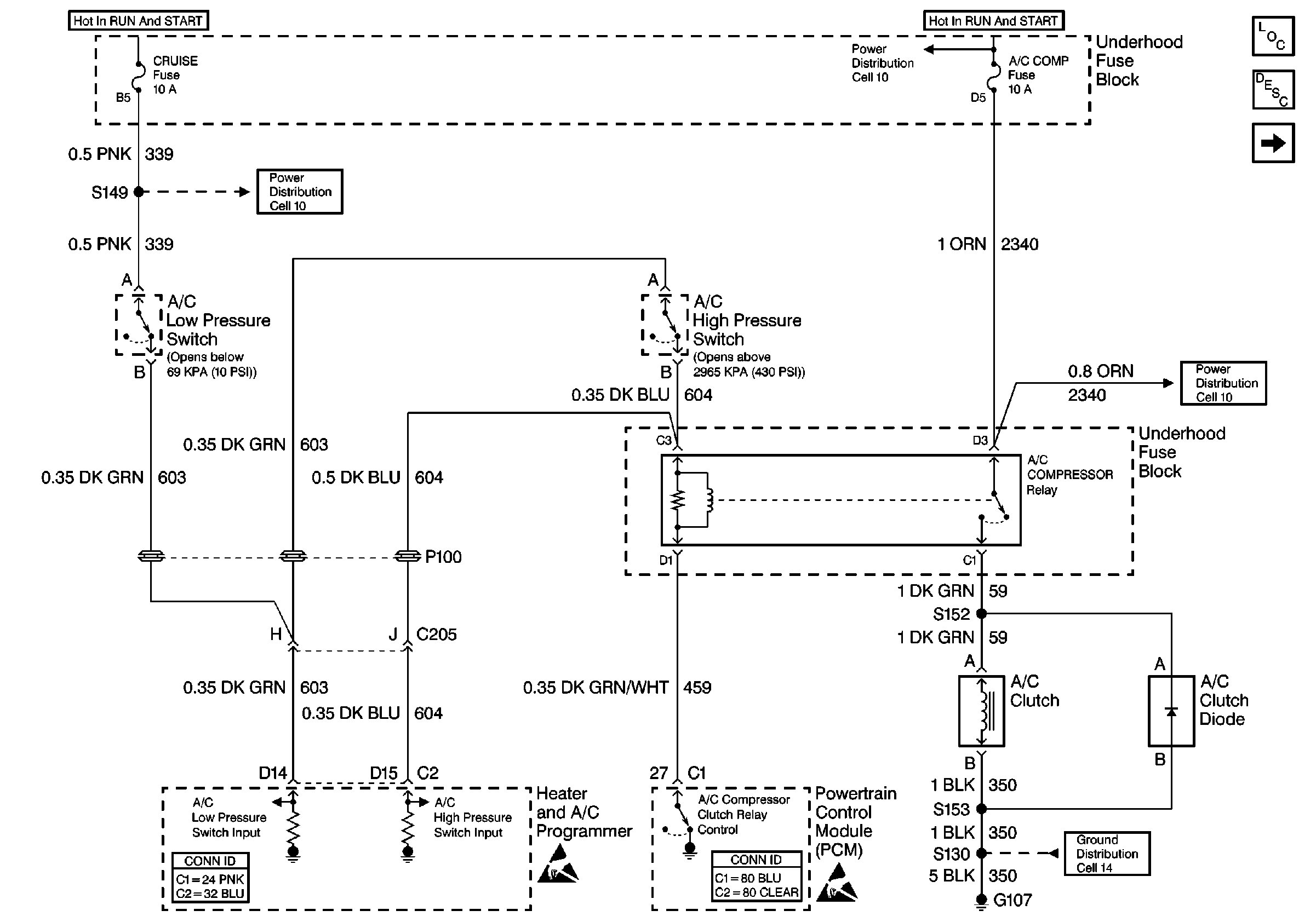
HVAC Compressor Controls Circuit Description
(Cell 67 (2 of 2))
Cell 10: PCM (BAT) and A/C COMP Fuses
Cell 10: CRUISE, DIS, and PCM (IGN) Fuses
Cell 10: BATT 1 and BRAKES Fuses
HVAC Connector End Views
Handling ESD Sensitive Parts Notice
Handling ESD Sensitive Parts Notice
Cell 14: G107 and G110