GM Service Manual Online
For 1990-2009 cars only
Makes
🢒
Cadillac
🢒
1998
🢒
DeVille
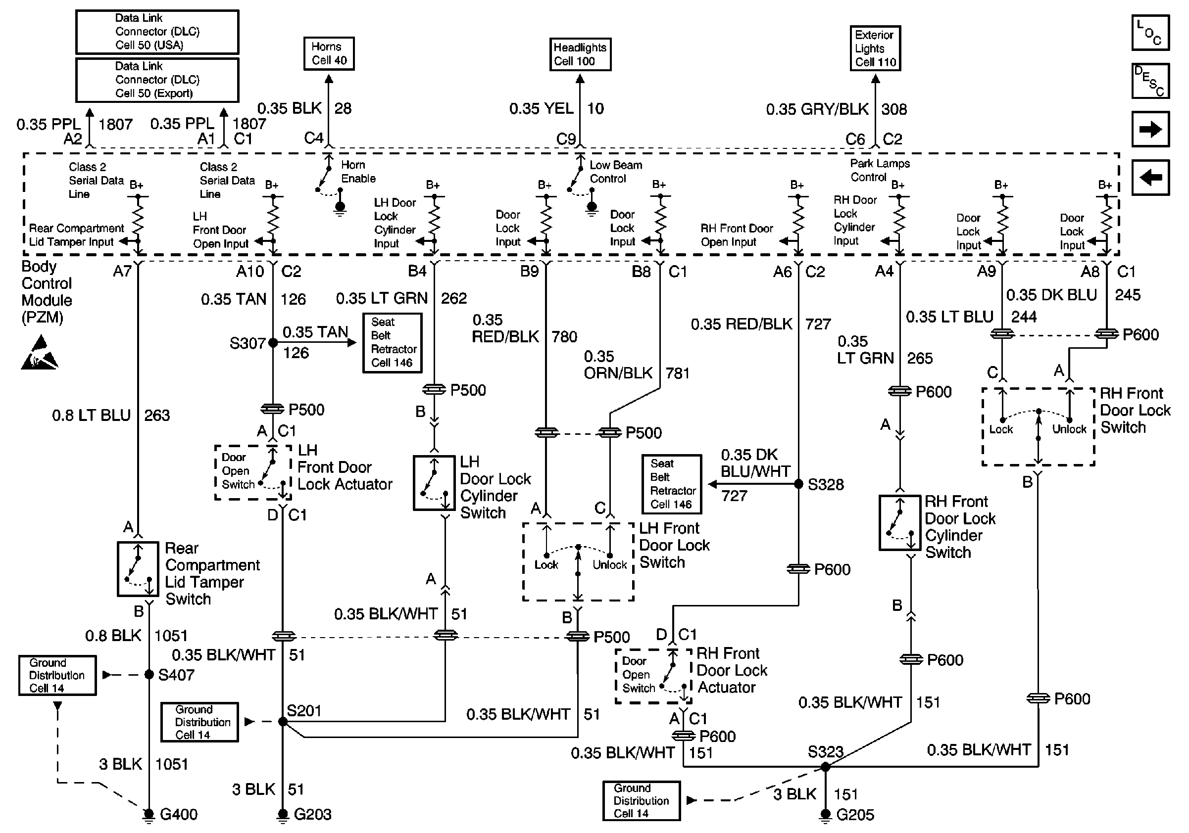
🢒 Cell 133: Content Theft Deterrent
Cell 133: Content Theft Deterrent
Cell 133: Content Theft Deterrent
Theft Deterrent System Components
Content Theft Deterrent (CTD) Circuit Description
Cell 133: Left Power Door Lock Switches
Cell 133: PASS-Key II
Cell 50: Class 2
Cell 50: Class 2 (Export)
Cell 40: Two Note
Cell 100: Headlamp Switch and Headlamp Control
Cell 110: Headlamp Switch and Park Lamp Control
Handling ESD Sensitive Parts Notice
Cell 146
Cell 146
Cell 14: G400 (w/o UQ4)
Cell 14: G203
Cell 14: G205