GM Service Manual Online
For 1990-2009 cars only
Makes
🢒
Cadillac
🢒
1998
🢒
DeVille
🢒 Cell 100: Headlamp Switch and Headlamp Control
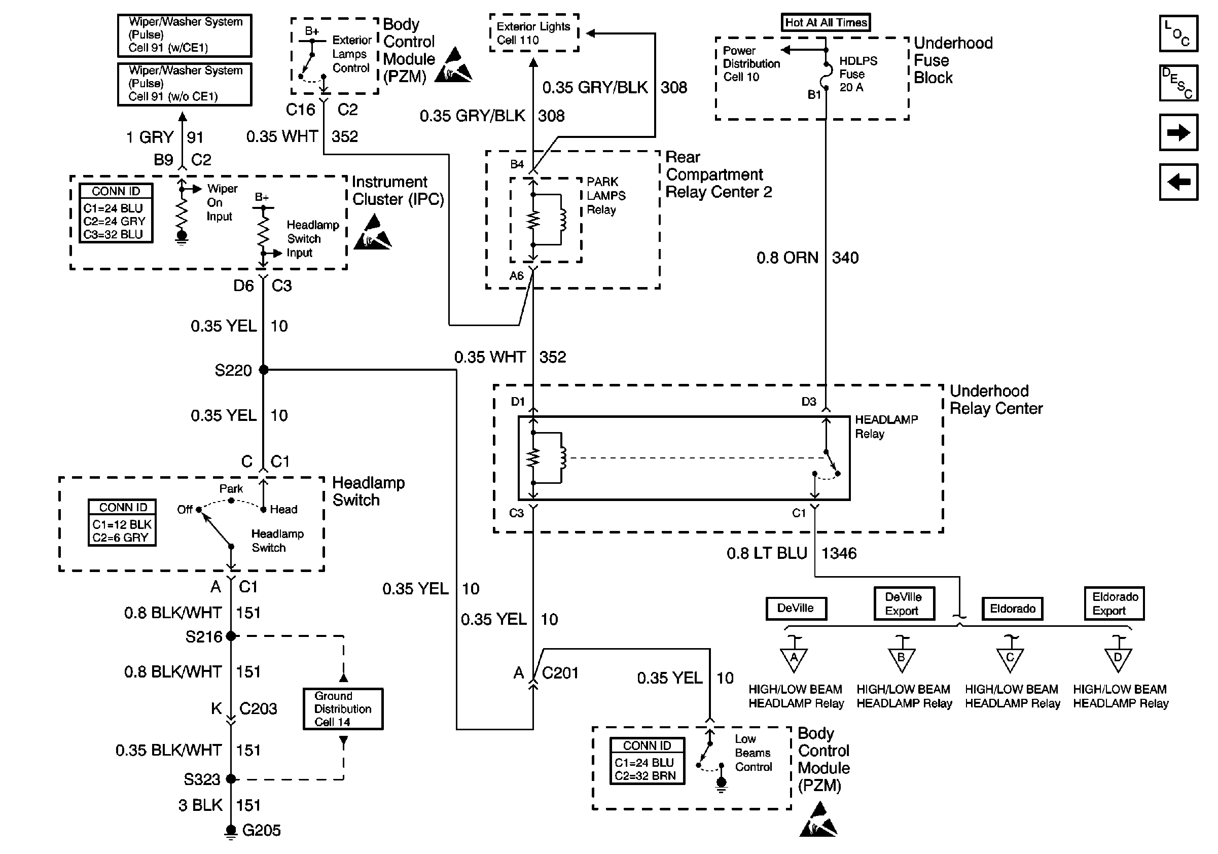
Cell 100: Headlamp Switch and Headlamp Control
Cell 100: Headlamp Switch and Headlamp Control
Lighting Systems Components
Headlights Circuit Description
Cell 100: Daytime Running Lamps - DeVille
Cell 100: Headlamp Dimmer Switch, Ambient Light Sensor, and Twilight SenTinel
Cell 110: Headlamp Switch and Park Lamp Control
Cell 100: Headlights (Deville USA)
Cell 100: Headlamps - DeVille Export
Cell 100: Headlamps - Eldorado
Cell 100: Headlamps - Eldorado Export
Handling ESD Sensitive Parts Notice
Body Control System Connector End Views
Ground Distribution Schematics
Handling ESD Sensitive Parts Notice
Handling ESD Sensitive Parts Notice
Instrument Panel, Gages, and Console Connector End Views
Cell 91
Cell 91: Module and Pump
Power Distribution Schematics
Lighting Systems Connector End Views