GM Service Manual Online
For 1990-2009 cars only
Makes
🢒
Cadillac
🢒
1998
🢒
DeVille
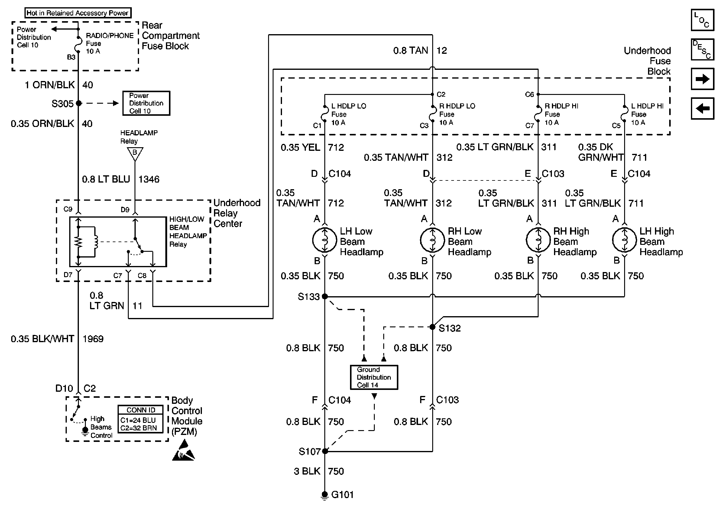
🢒 Cell 100: Headlamps - DeVille Export
Cell 100: Headlamps - DeVille Export
Cell 100: Headlamps -- DeVille Export
Power Distribution Schematics
Power Distribution Schematics
Body Control System Connector End Views
Handling ESD Sensitive Parts Notice
Ground Distribution Schematics
Cell 100: Headlamp Switch and Headlamp Control
Lighting Systems Components
Headlights Circuit Description
Cell 100: Headlights (Deville USA)
Cell 100: Headlamps - Eldorado