GM Service Manual Online
For 1990-2009 cars only
Makes
🢒
Cadillac
🢒
1998
🢒
DeVille
🢒 Cell 100: Headlamps - Eldorado Export
Cell 100: Headlamps - Eldorado Export
Cell 100: Headlamps -- Eldorado Export
Lighting Systems Components
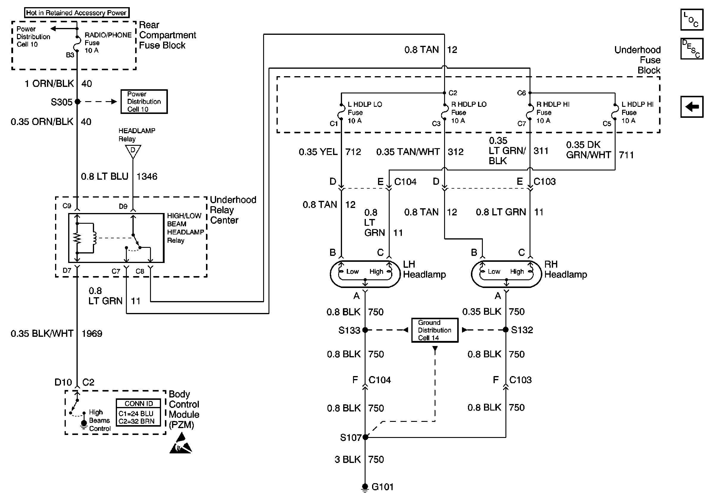
Headlights Circuit Description
Cell 100: Headlamps - Eldorado
Ground Distribution Schematics
Handling ESD Sensitive Parts Notice
Body Control System Connector End Views
Cell 100: Headlamp Switch and Headlamp Control
Power Distribution Schematics
Power Distribution Schematics