GM Service Manual Online
For 1990-2009 cars only
Makes
🢒
Cadillac
🢒
1999
🢒
DeVille
🢒 Cell 10: ELC Circuit Breaker and ELC Fuse
Cell 10: ELC Circuit Breaker and ELC Fuse
Cell 10: ELC Circuit Breaker and ELC Fuse
Power and Grounding Components
Cell 10: IGN 0 BODY Fuse (Eldorado)
Cell 10: WIPERS, ACC, and CLUSTER Fuses
Cell 10: BATT 2 and BATT 3 Fuses and the Ignition Switch Outputs
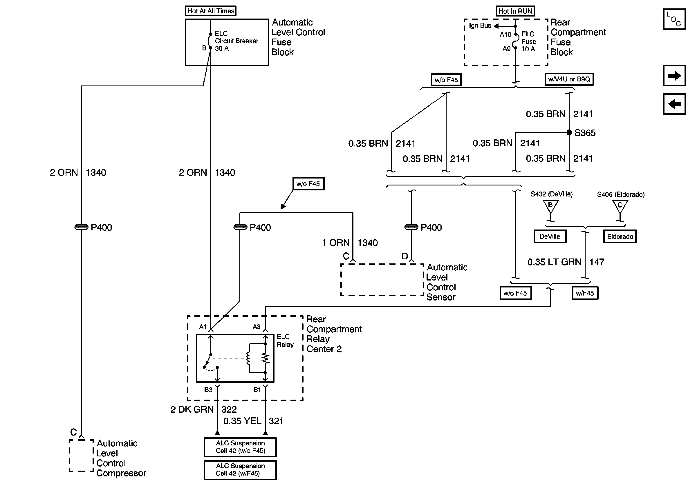
Cell 42: Automatic Level Control (Without F45)
Cell 42: Automatic Level Control - Compressor (With F45)
Cell 10: IGN 0 BODY Fuse (DeVille)
Cell 10: IGN 0 BODY Fuse (Eldorado)