GM Service Manual Online
For 1990-2009 cars only
Makes
🢒
Cadillac
🢒
2000
🢒
DeVille
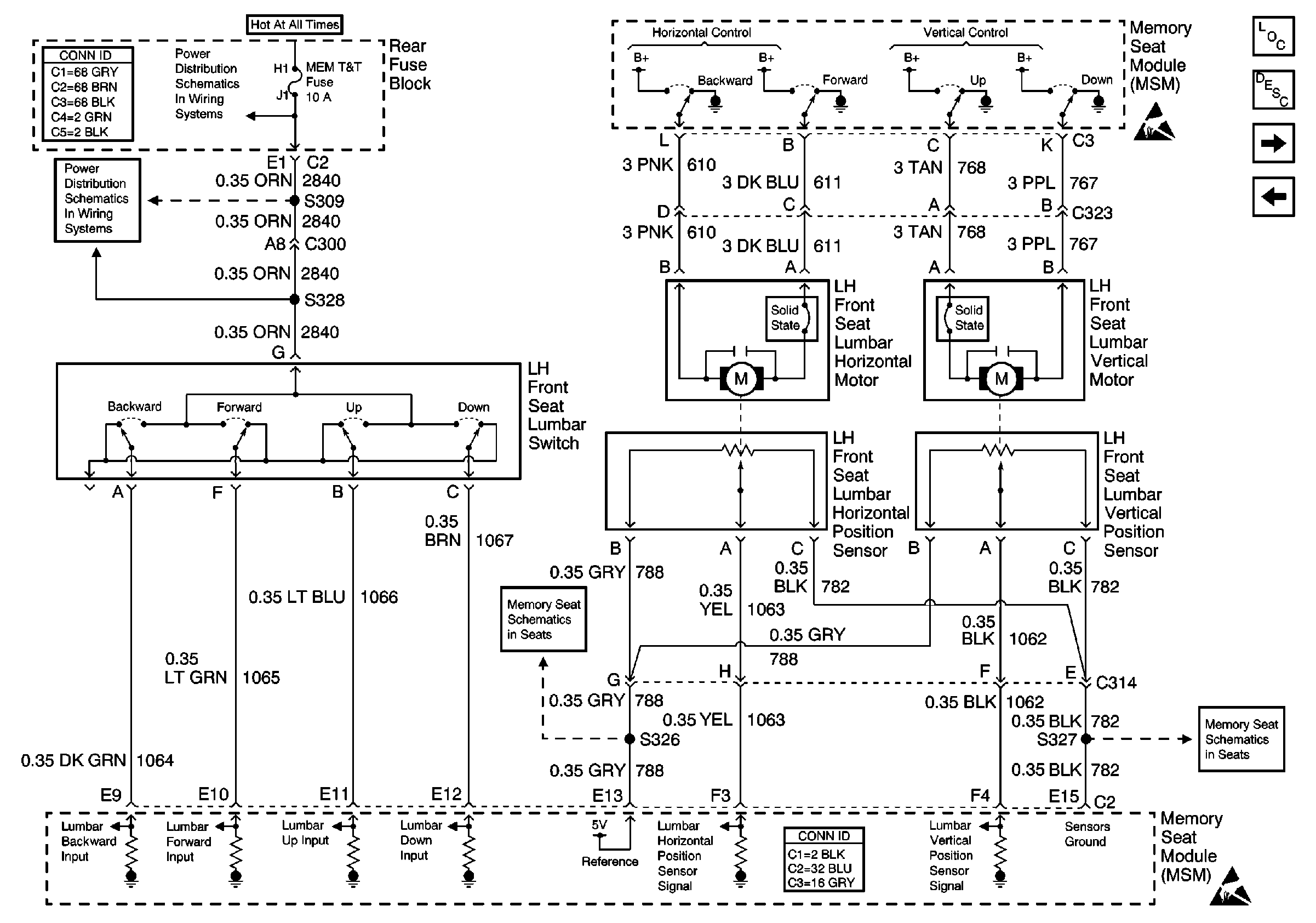
🢒 (A45 with AL2) PWR, GND, Switch, Motors, Sensors, and MSM
(A45 with AL2) PWR, GND, Switch, Motors, Sensors, and MSM
(A45 with AL2) PWR, GND, Switch, Motors, Sensors, and MSM
Power Seat Systems Components
Power Lumbar Circuit Description with A45
(A45 with AM3) PWR, GND, Switch, Massage Module and MSM
(AM3) Right Seat Lumbar Massage
Handling ESD Sensitive Parts Notice
MEM T&T, RRLUM/ANT, and HTDST LF Fuses
MEM T&T, RRLUM/ANT, and HTDST LF Fuses
Memory Seats Schematics
Memory Seats Schematics
Handling ESD Sensitive Parts Notice