GM Service Manual Online
For 1990-2009 cars only
Makes
🢒
Cadillac
🢒
2000
🢒
DeVille
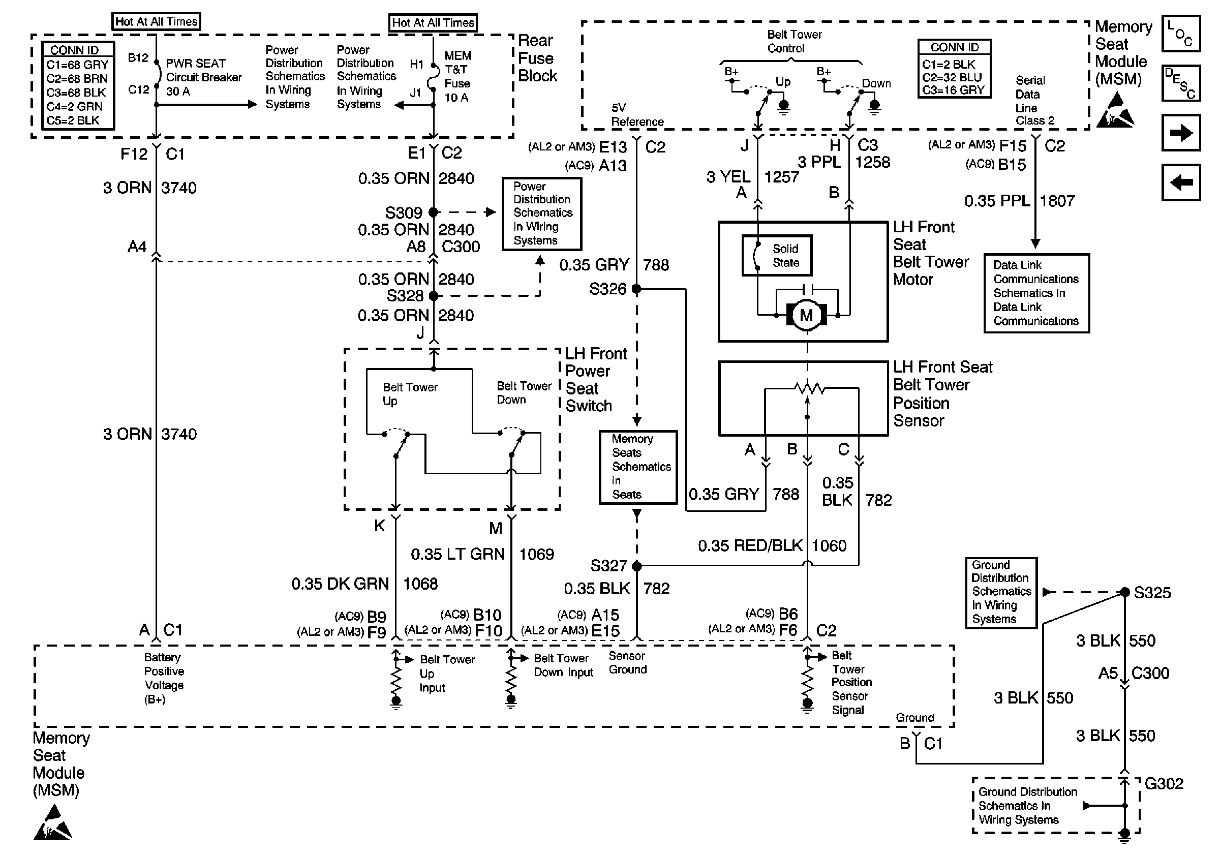
🢒 (A45 with AL2) PWR, GND, LH Belt Tower Switch, Motor, and MSM
(A45 with AL2) PWR, GND, LH Belt Tower Switch, Motor, and MSM
(A45 with AL2) PWR, GND, LH Belt Tower Switch, Motor, and MSM
Seat Belt Components
Seat Belt System Circuit Description
Fasten Seat Belt Switch and Indicator
LH and RH Belt Tower PWR, GND, Switch, and Motors
NAV Fuse and POWER SEAT Circuit Breaker
MEM T&T, RRLUM/ANT, and HTDST LF Fuses
MEM T&T, RRLUM/ANT, and HTDST LF Fuses
G302 - LH Front Seat
Data Link Connector Schematics
Memory Seats Schematics