GM Service Manual Online
For 1990-2009 cars only
Makes
🢒
Cadillac
🢒
2001
🢒
DeVille
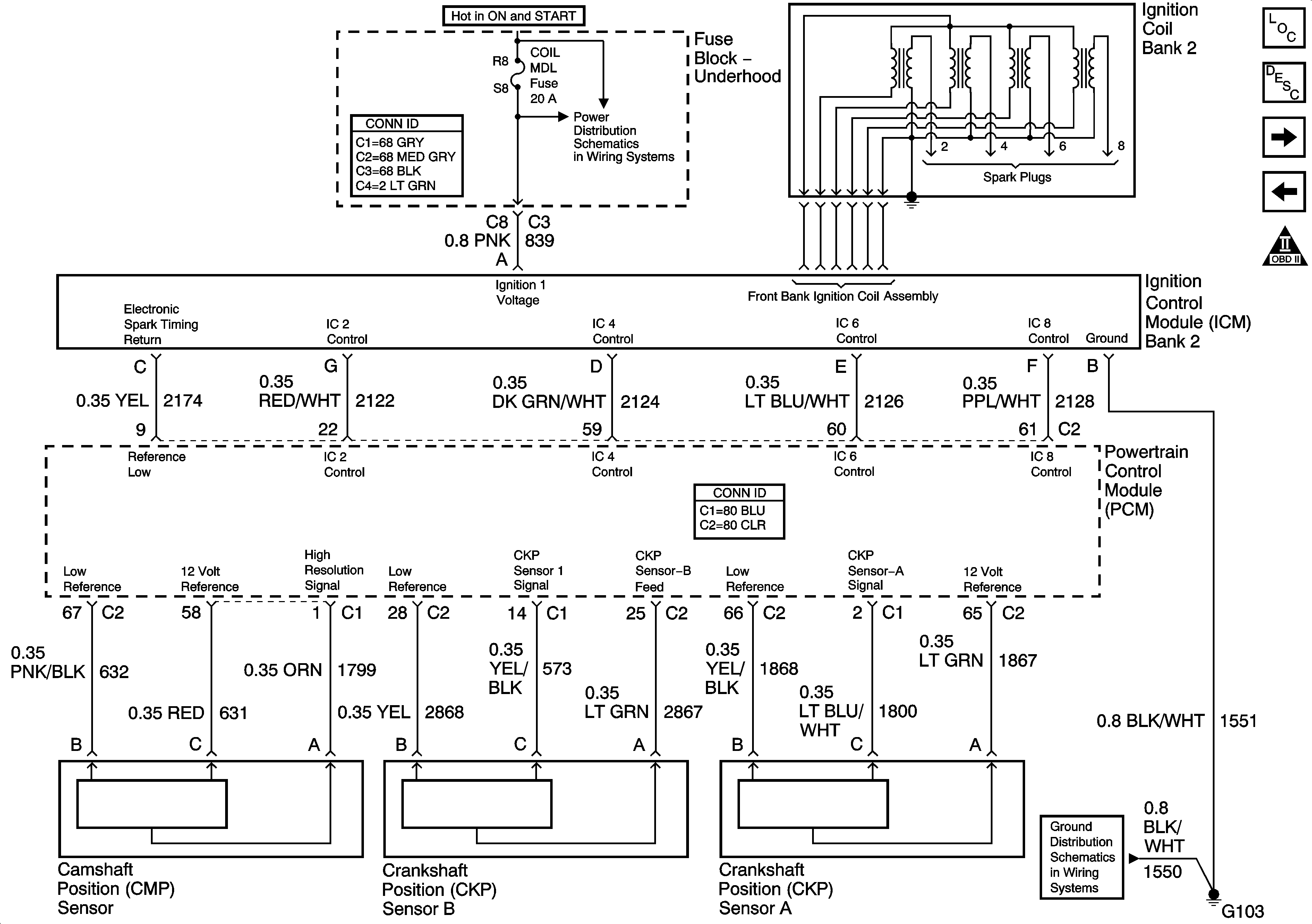
🢒 Ignition Control (IC) Module Front Bank
Ignition Control (IC) Module Front Bank
Ignition Control (IC) Module Front Bank
Master Electrical Component List
Electronic Ignition (EI) System Description
Ignition Control (IC) Module Rear Bank
MIL Control and DLC
OBD II Symbol Description Notice
Oxy Sen, CR Cont, MDL Coil, Trans Fuses
G102,G103,G105,G106,G110