GM Service Manual Online
For 1990-2009 cars only
Makes
🢒
Cadillac
🢒
2001
🢒
DeVille
🢒 MAF/IAT Sensors and IVA Valve
MAF/IAT Sensors and IVA Valve
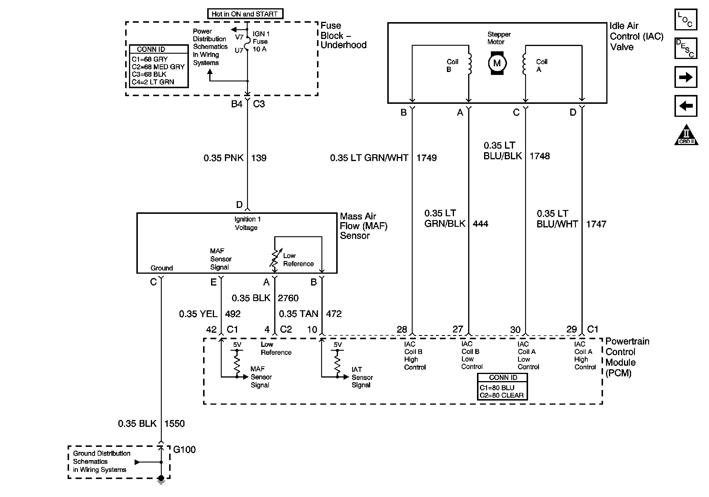
MAF/IAT Sensors and IAC Valve
Master Electrical Component List
Fuel System Description
Cruise Control and Vehicle Speed Signal
EVAP Valves and EGR Valve
OBD II Symbol Description Notice
G100
Start Circuit Breaker, PCM, IGN and IGN 1 Fuses