GM Service Manual Online
For 1990-2009 cars only
Makes
🢒
Cadillac
🢒
2001
🢒
DeVille
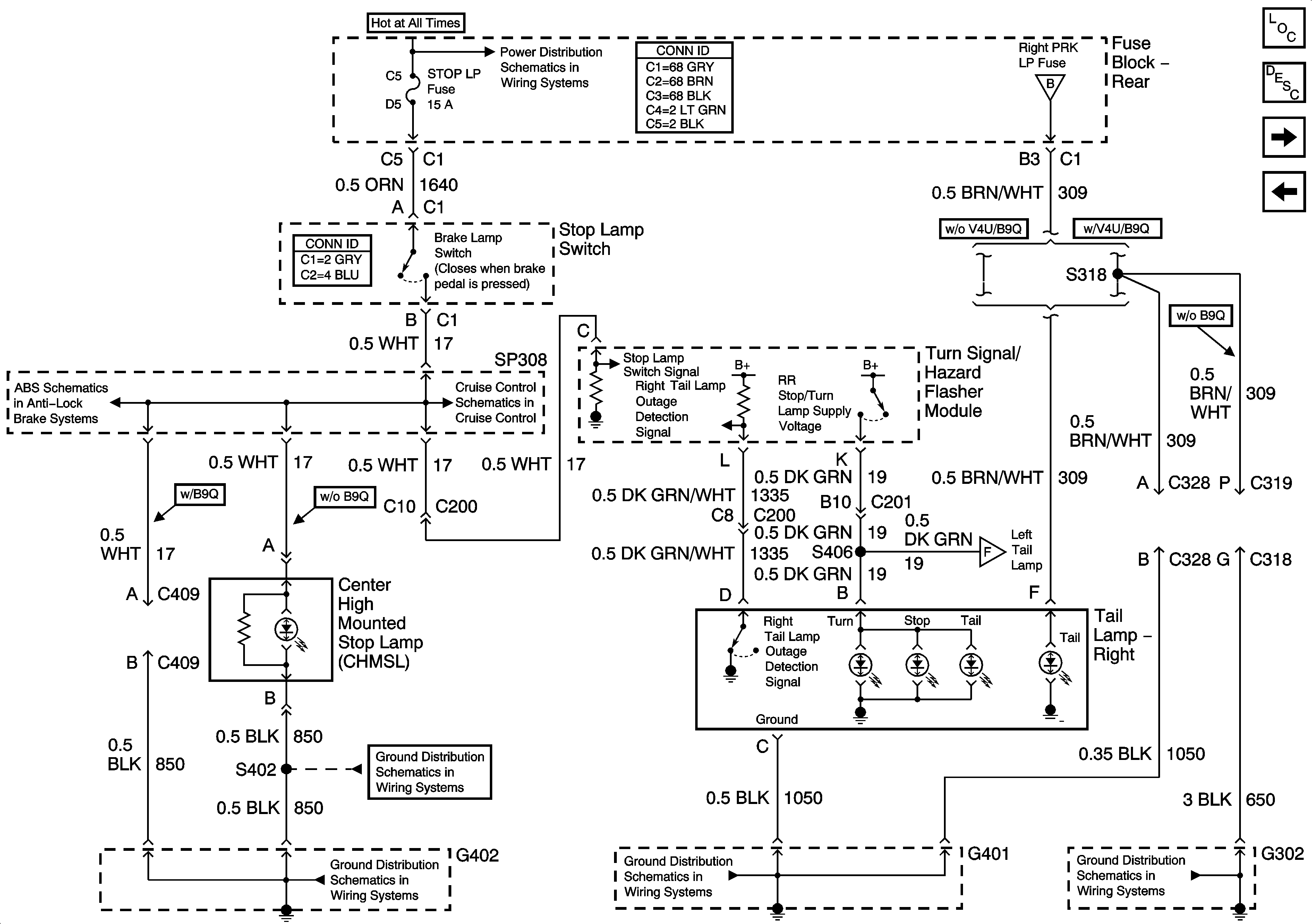
🢒 Right Tail Lamp
Right Tail Lamp
Right Tail Lamp
Master Electrical Component List
Exterior Lighting Systems Description and Operation
Left Tail Lamp
Turn/Hazard Flasher Module, Hazard Switch
G302 V4U/B9Q
G401
RR BLO, RR DR MDL, HVAC, Stop LP, IGN SW, and TSIG/HAZ Fuses
Cruise Control Module PCM Inputs and Vehicle Speed Input
G402 Backup Lamps, Courtesy Lamps and License Lamp
G402 Backup Lamps, Courtesy Lamps and License Lamp
Power, Ground, Stoplamp Switch, Solenoid Valves and Pump Motor