GM Service Manual Online
For 1990-2009 cars only
Makes
🢒
Cadillac
🢒
2001
🢒
DeVille
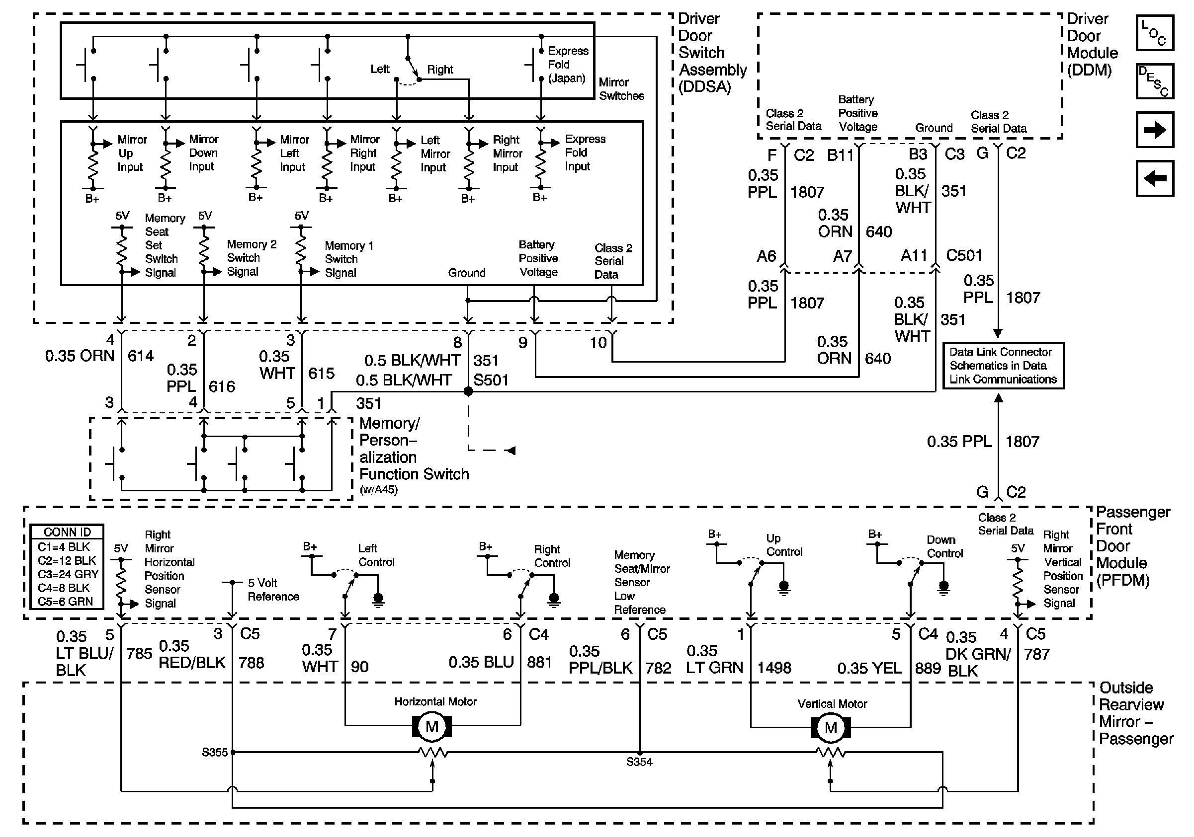
🢒 Right Power Mirror w/Memory (A45)
Right Power Mirror w/Memory (A45)
Right Power Mirror w/Memory (A45)
Master Electrical Component List
Outside Mirror Description and Operation
Heated Mirrors
Left Power Mirror w/Memory (A45)
Class 2 Serial Data (2 of 3)
Driver Door Switch Assembly (DDSA) Power, Ground Inputs and Outputs