GM Service Manual Online
For 1990-2009 cars only
Figure 1:

Release Switches


Object Number: 797484  Size: FS
Master Electrical Component List
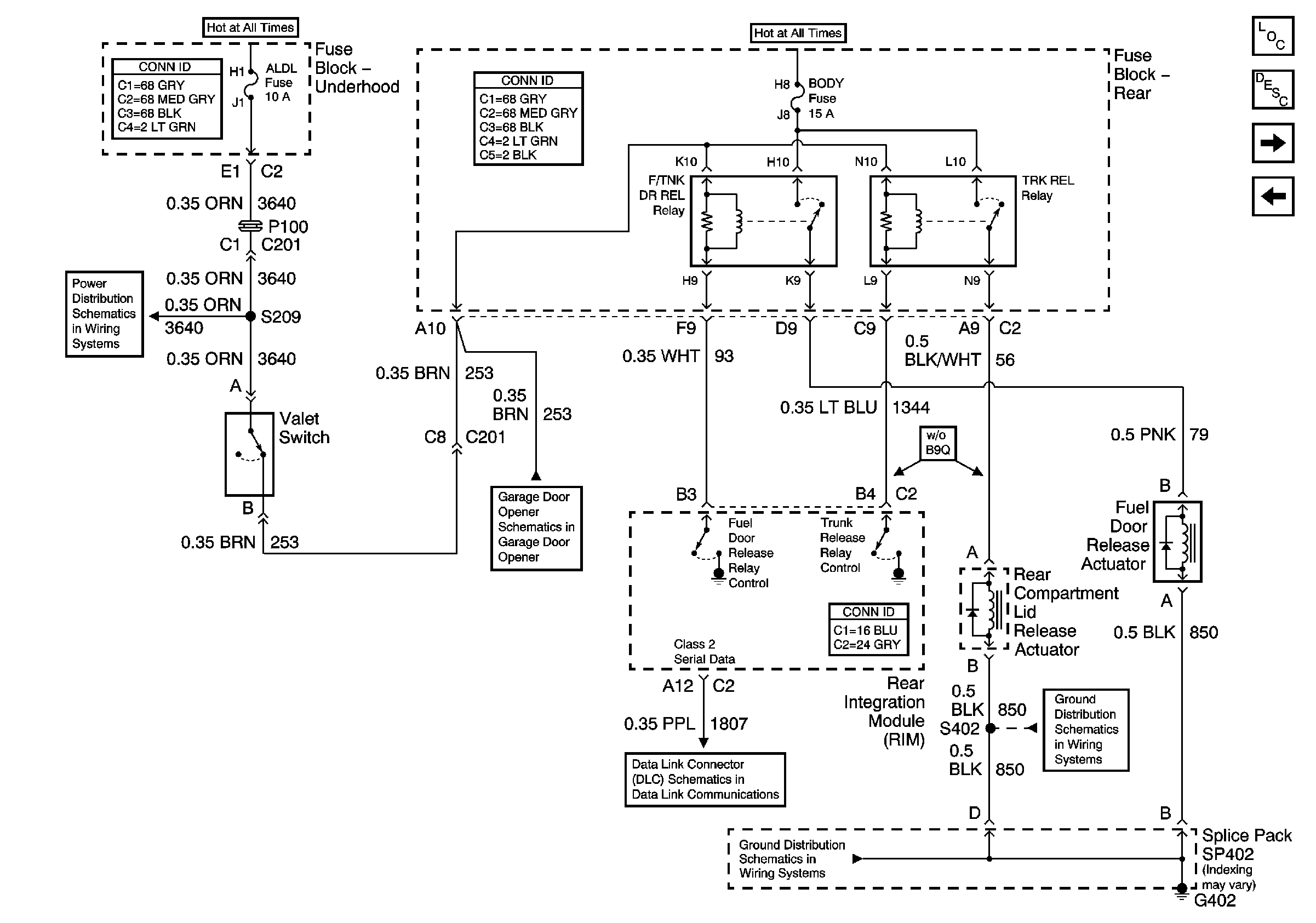
Fuel Fill Door Description and Operation
Fuse Blocks, Actuators, and Rear Integration Module (RIM)
Class 2 Serial Data (1 of 3)
G200
G200
Figure 2:

Release Actuators and Valet Switch


Object Number: 797485  Size: FS
Master Electrical Component List
Fuel Fill Door Description and Operation
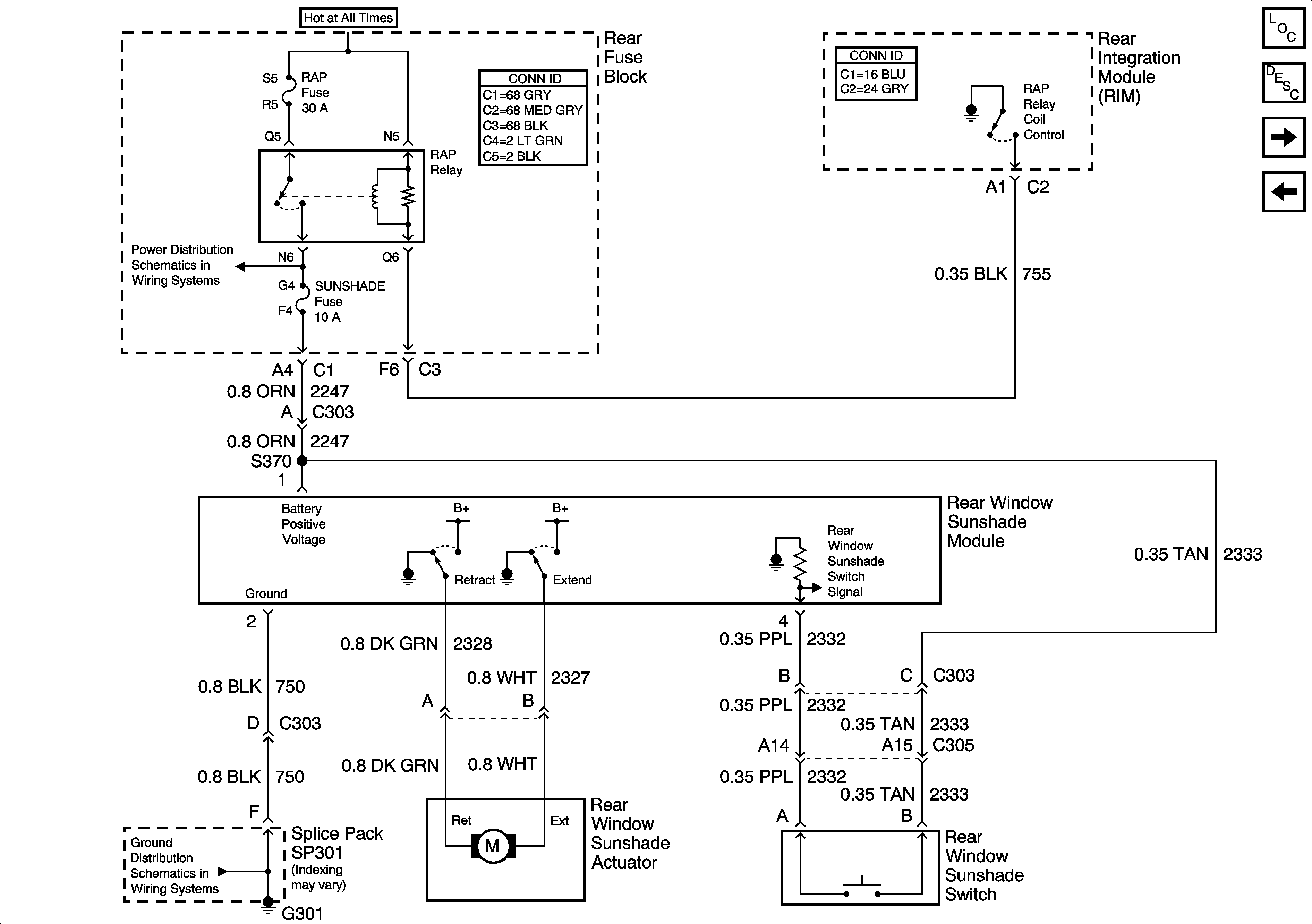
Rear Window Power Sunshade
Release Systems - IPM Module and Release Switch
ALDL, PCM BATT, IP Fuses
Garage Door Opener Schematics
Class 2 Serial Data (2 of 3)
G402 1 of 2
G402 2 of 2
Figure 3:

Rear Window Power Sunshade


Object Number: 797486  Size: FS
Master Electrical Component List
Rear Window Inside Sunshade Description and Operation
Rear Compartment Lid Ajar Signal
Fuse Blocks, Actuators, and Rear Integration Module (RIM)
CVRTD, Cigar, RAP, Sunshade Fuses
G301
Figure 4:

Rear Compartment Lid Ajar Signal


Object Number: 797489  Size: FS
Master Electrical Component List
Luggage Compartment Description and Operation Trunk Ajar Indicator
Rear Window Power Sunshade
Class 2 Serial Data (1 of 3)
G402 2 of 2
G402 2 of 2