GM Service Manual Online
For 1990-2009 cars only
Makes
🢒
Cadillac
🢒
2002
🢒
DeVille
🢒
Body and Accessories
🢒
Theft Deterrent
🢒 Theft Deterrent System Schematics
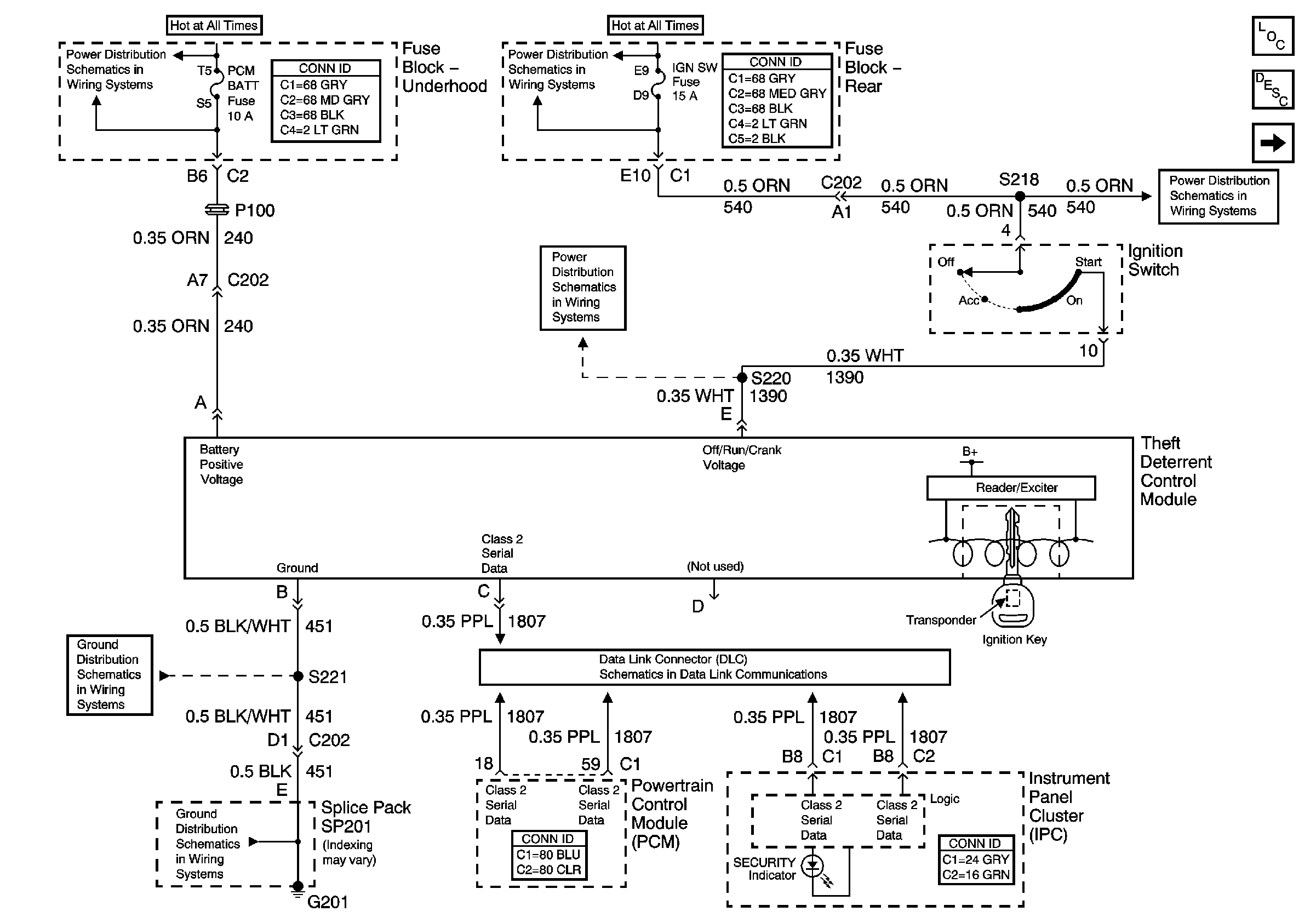
Figure
1:
Vehicle Theft Deterrent (VTD) System
Master Electrical Component List
Theft Systems Description and Operation
CTD Inputs and Outputs
ALDL, PCM BATT, IP Fuses
RR BLO, RR DR MDL, HVAC, Stop LP, IGN SW, and TSIG/HAZ Fuses
Ignition Switch
Ignition Switch
G201 1 of 3
G201 1 of 3
Class 2 Serial Data (3 of 3)
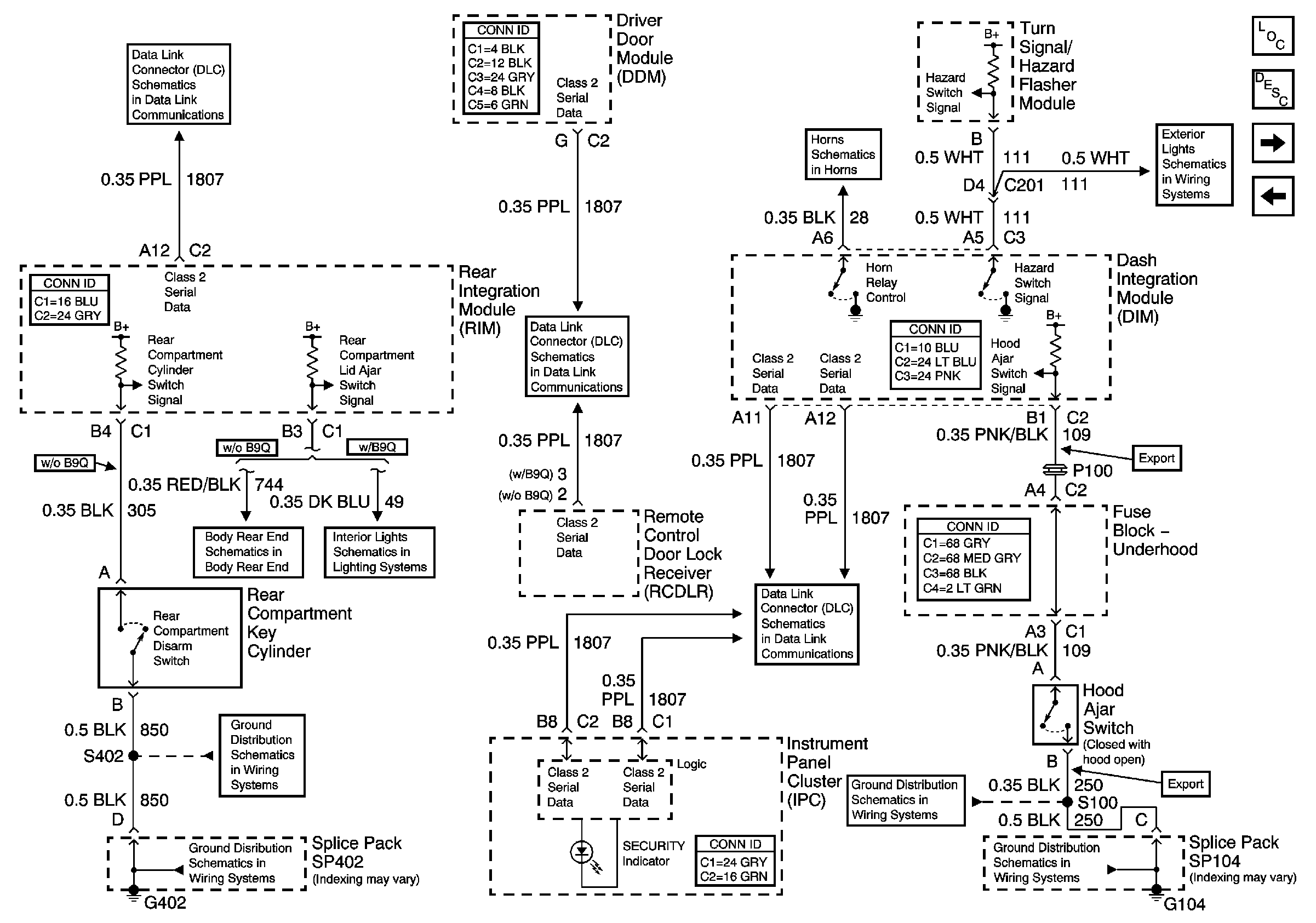
Figure
2:
Content Theft Deterrent (CTD) System Inputs and Outputs
Master Electrical Component List
Theft Systems Description and Operation
CTD Door Inputs
VTD System
Turn/Hazard Flasher Module, Hazard Switch
02 Ksp Horns
Class 2 Serial Data (2 of 3)
Class 2 Serial Data (3 of 3)
Rear Compartment Lid Ajar Signal
Door Opens Inputs (w/B9Q)
Class 2 Serial Data (1 of 3)
G402 2 of 2
G402 2 of 2
G104
G104
Figure
3:
Content Theft Deterrent (CTD) System Door Inputs
Master Electrical Component List
Theft Systems Description and Operation
CTD Inputs and Outputs
Door Open Inputs
Driver Door Power Door Lock
Class 2 Serial Data (3 of 3)
Class 2 Serial Data (2 of 3)
Door Opens Input (w/ V4U)
Door Opens Input (w/ V4U)
Door Opens Input (w/ V4U)
Door Opens Input (w/ V4U)