GM Service Manual Online
For 1990-2009 cars only
Makes
🢒
Cadillac
🢒
2002
🢒
DeVille
🢒
Body and Accessories
🢒
Instrument Panel, Gages, and Console
🢒 Night Vision Schematics
Figure
1:
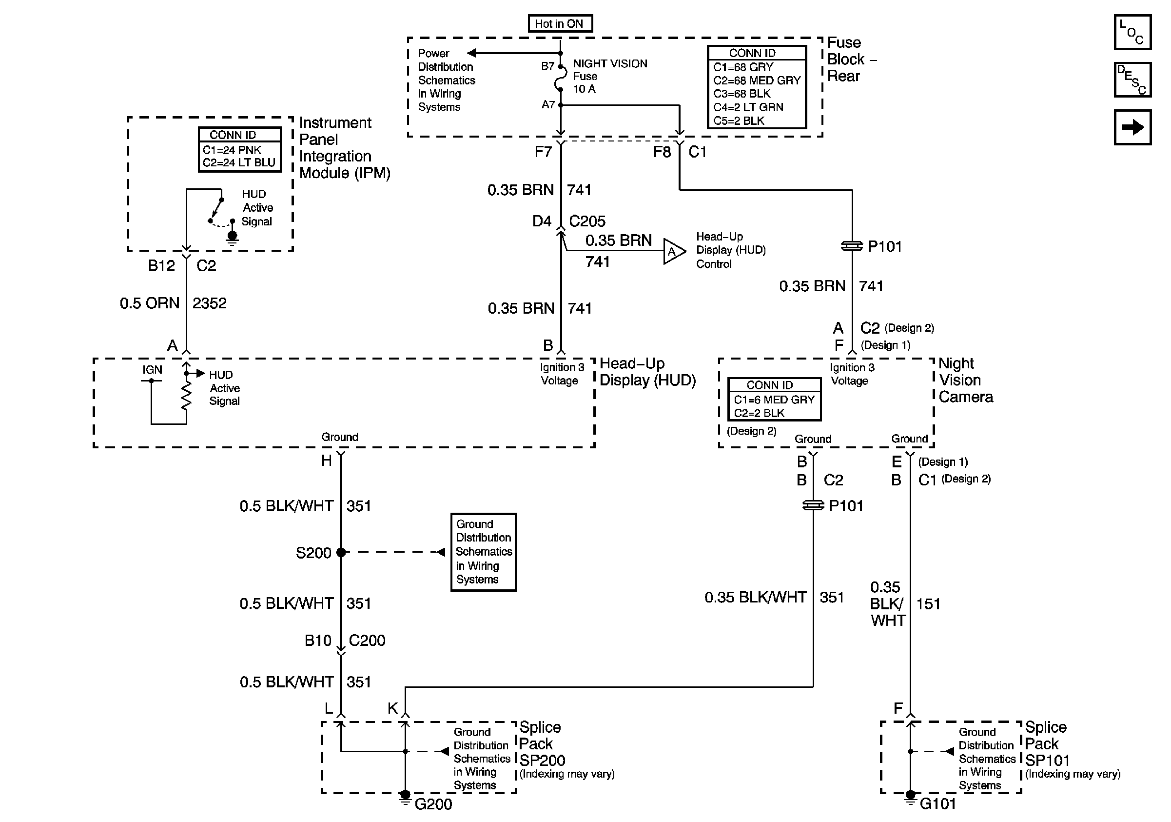
HUD and Night Vision Camera -- Power and Ground
Master Electrical Component List
Night Vision Description and Operation
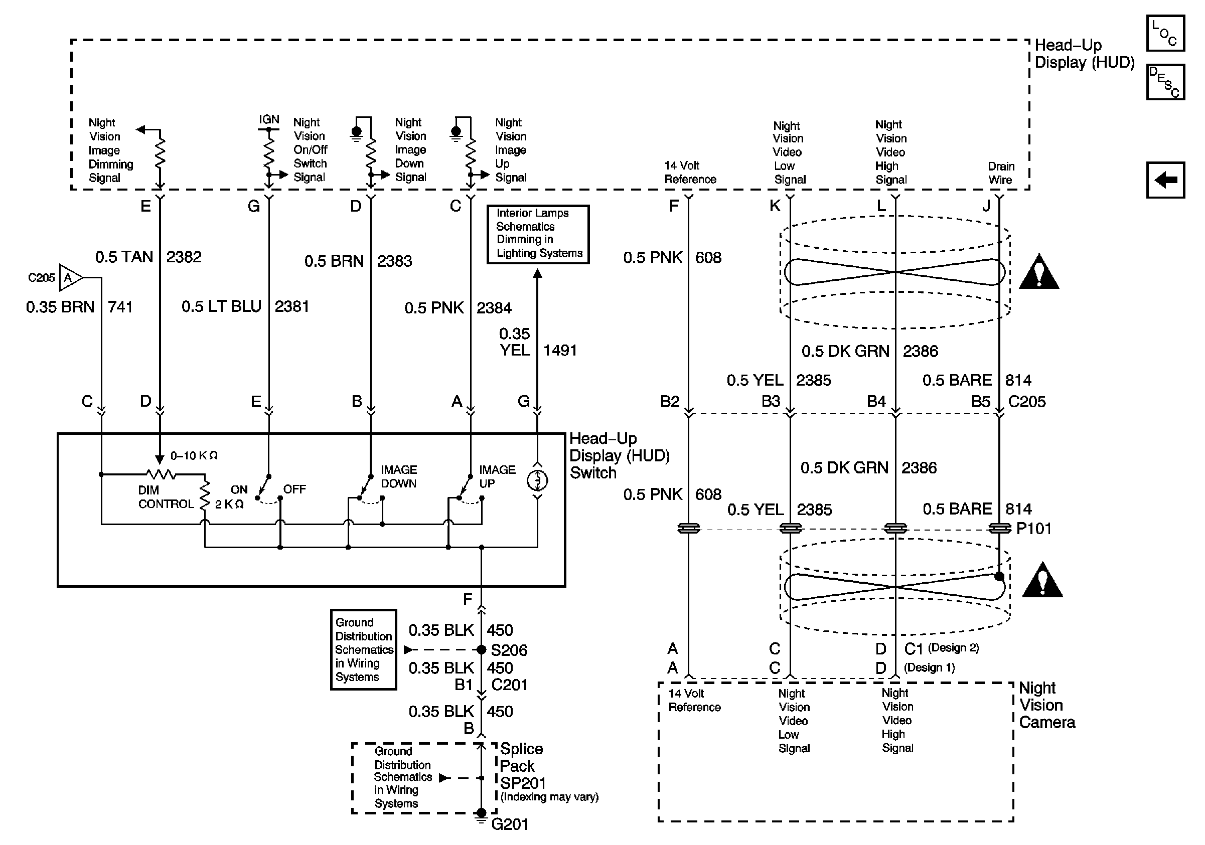
HUD Switch and Night Vision Camera Video Circuits
ELC, Night Vision, HVAC, ABS Fuses
G200
G200
G101
HUD Switch and Night Vision Camera Video Circuits
Figure
2:
HUD Switch and Night Vision Camera Video Circuits
Master Electrical Component List
Night Vision Description and Operation
HUD and Night Vision Camera - Power and Ground
HUD and Night Vision Camera - Power and Ground
Instrument Panel Dimming
Instrument Panel, Gages, and Console Schematic Icons
Instrument Panel, Gages, and Console Schematic Icons
G201 2 of 3
G201 2 of 3