GM Service Manual Online
For 1990-2009 cars only
Makes
🢒
Cadillac
🢒
2002
🢒
DeVille
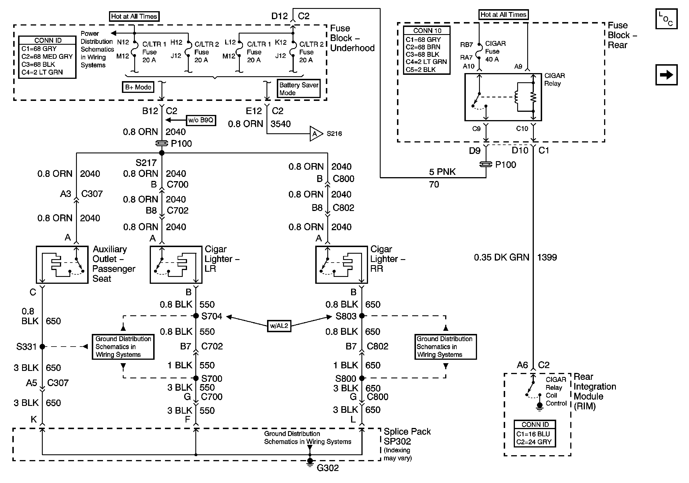
🢒 Rear Cigar Lighters
Rear Cigar Lighters
Rear Cigar Lighters
Master Electrical Component List
Cigar and Auxiliary Power Outlets
G302 1 of 3
G302 1 of 3
G302 1 of 3
Cigar and Auxiliary Power Outlets