GM Service Manual Online
For 1990-2009 cars only
Makes
🢒
Cadillac
🢒
2002
🢒
DeVille
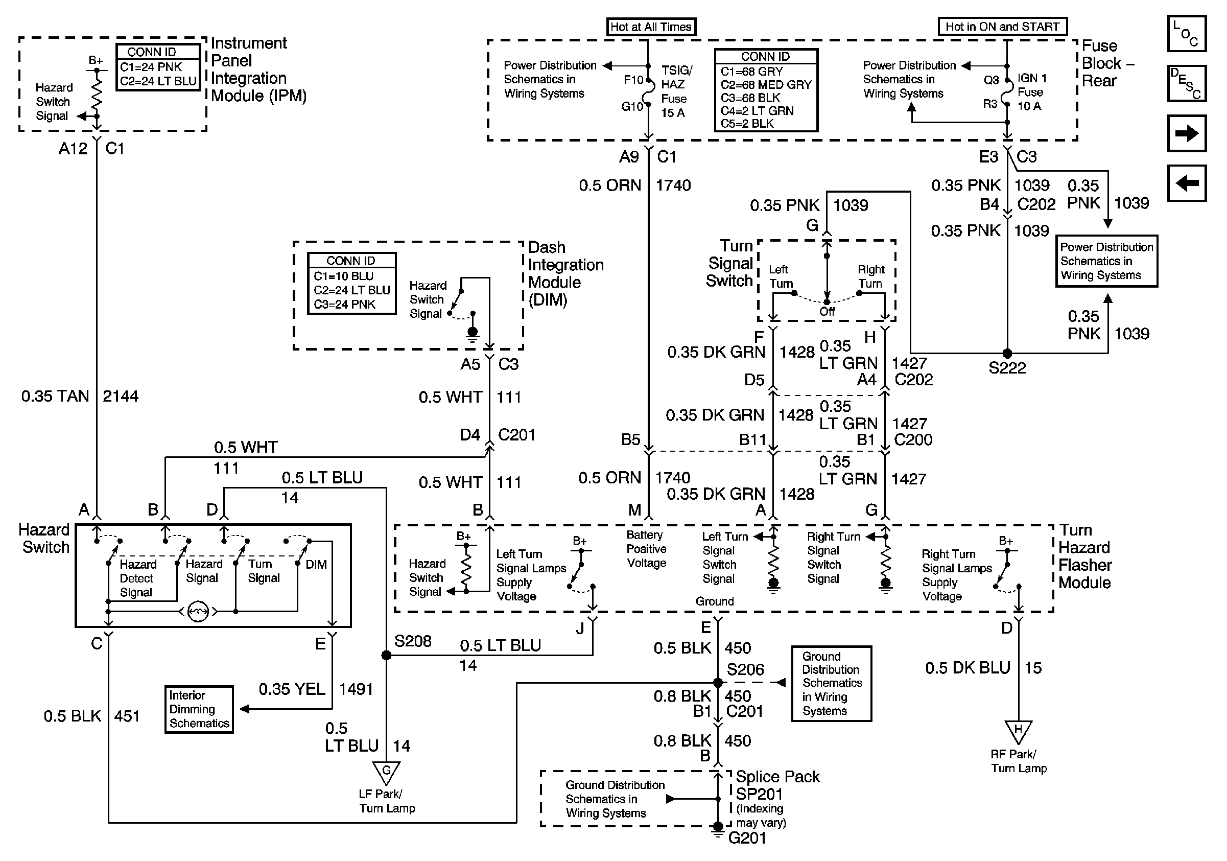
🢒 Turn/Hazard Flasher Module, Hazard Switch
Turn/Hazard Flasher Module, Hazard Switch
Turn/Hazard Flasher Module, Hazard Switch
Master Electrical Component List
Exterior Lighting Systems Description and Operation
Right Tail Lamp
Headlamp Switch, Park Lamp Relay
SIR, Vent Sol, and IGN 1 Fuses
Front Park/Turn and Side Marker Lamps
G201 2 of 3
G201 2 of 3
Console Dimming
Instrument Panel Dimming
RR BLO, RR DR MDL, HVAC, Stop LP, IGN SW, and TSIG/HAZ Fuses