GM Service Manual Online
For 1990-2009 cars only
Makes
🢒
Cadillac
🢒
2002
🢒
DeVille
🢒 Backup Lamps
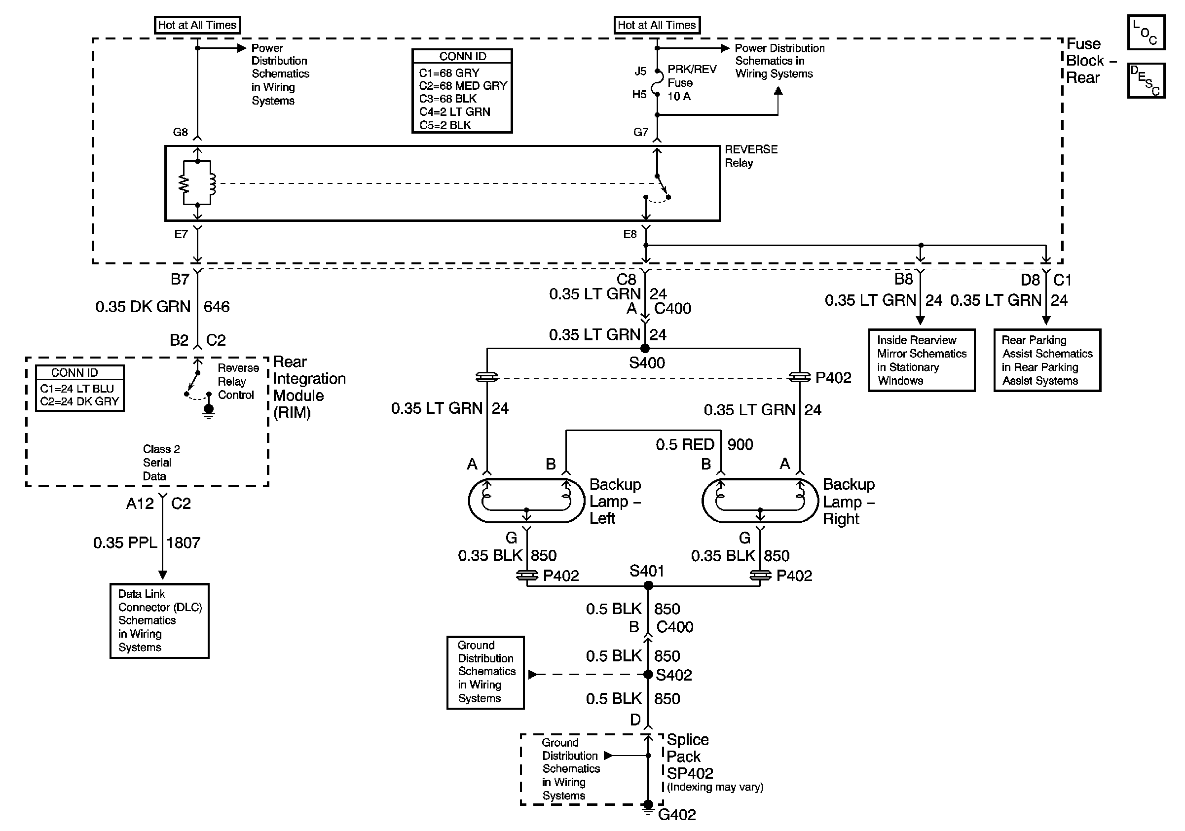
Backup Lamps
Backup Lamps
Master Electrical Component List
Exterior Lighting Systems Description and Operation
Headlamp Switch, Park Lamp Relay
License and Cornering Lamps
Rear Parking Aid Module - Power and Ground
Inside Rear View Mirror
G402 2 of 2
G402 2 of 2
Class 2 Serial Data (1 of 3)
Rear Fuse Block Battery Voltage
Rear Fuse Block Battery Voltage