GM Service Manual Online
For 1990-2009 cars only
Makes
🢒
Cadillac
🢒
2002
🢒
DeVille
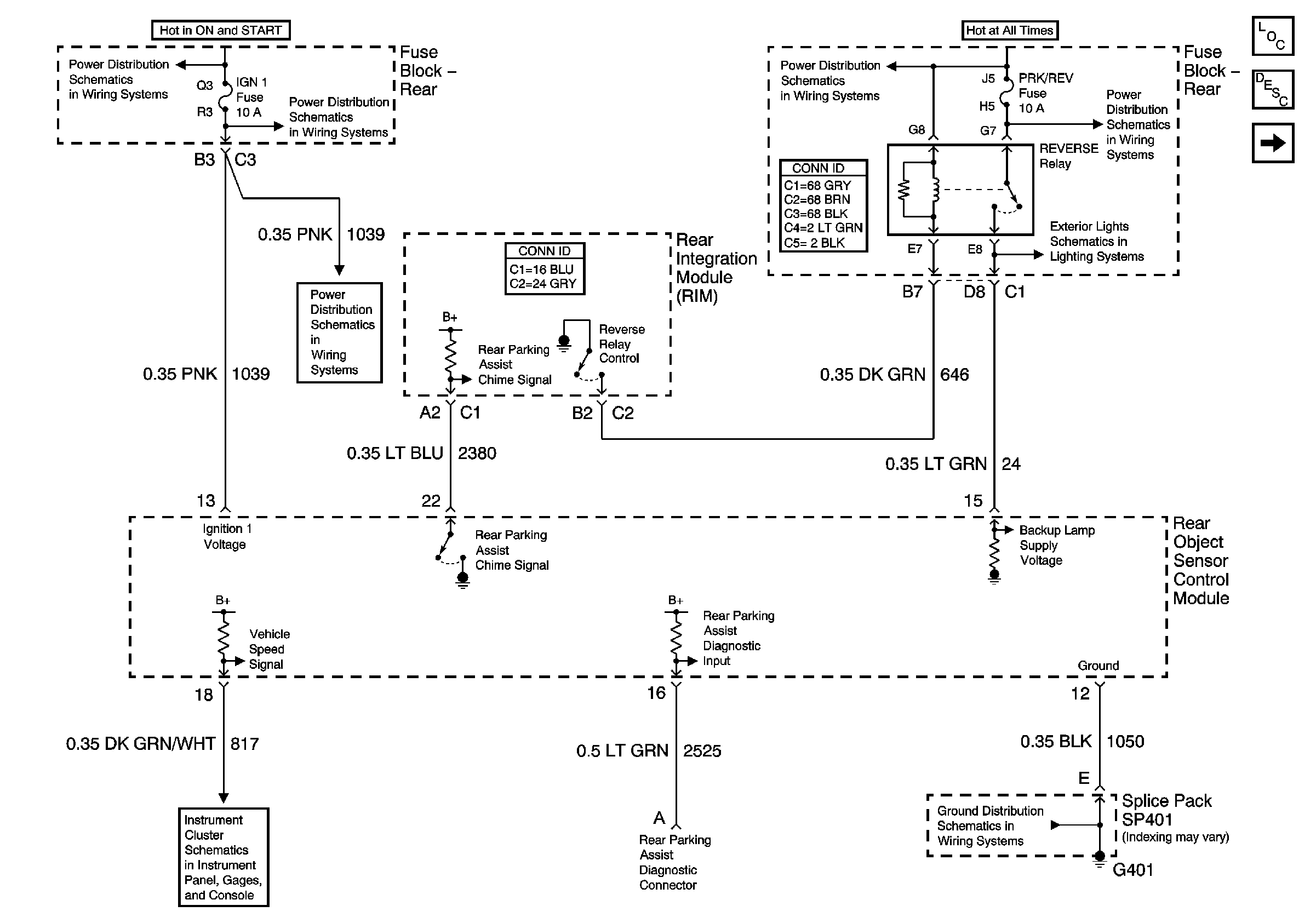
🢒 Rear Parking Aid Module - Power and Ground
Rear Parking Aid Module - Power and Ground
Rear Object Sensor Control Module -- Power and Ground
Master Electrical Component List
Object Detection Description and Operation
Object Sensors
Backup Lamps
G401
w/Console Shift
Engine Data Sensors, MAF, VSS and Extended Brake Travel Switch
SIR, Vent Sol, and IGN 1 Fuses
SIR, Vent Sol, and IGN 1 Fuses
SIR, Vent Sol, and IGN 1 Fuses