GM Service Manual Online
For 1990-2009 cars only
Makes
🢒
Cadillac
🢒
2002
🢒
DeVille
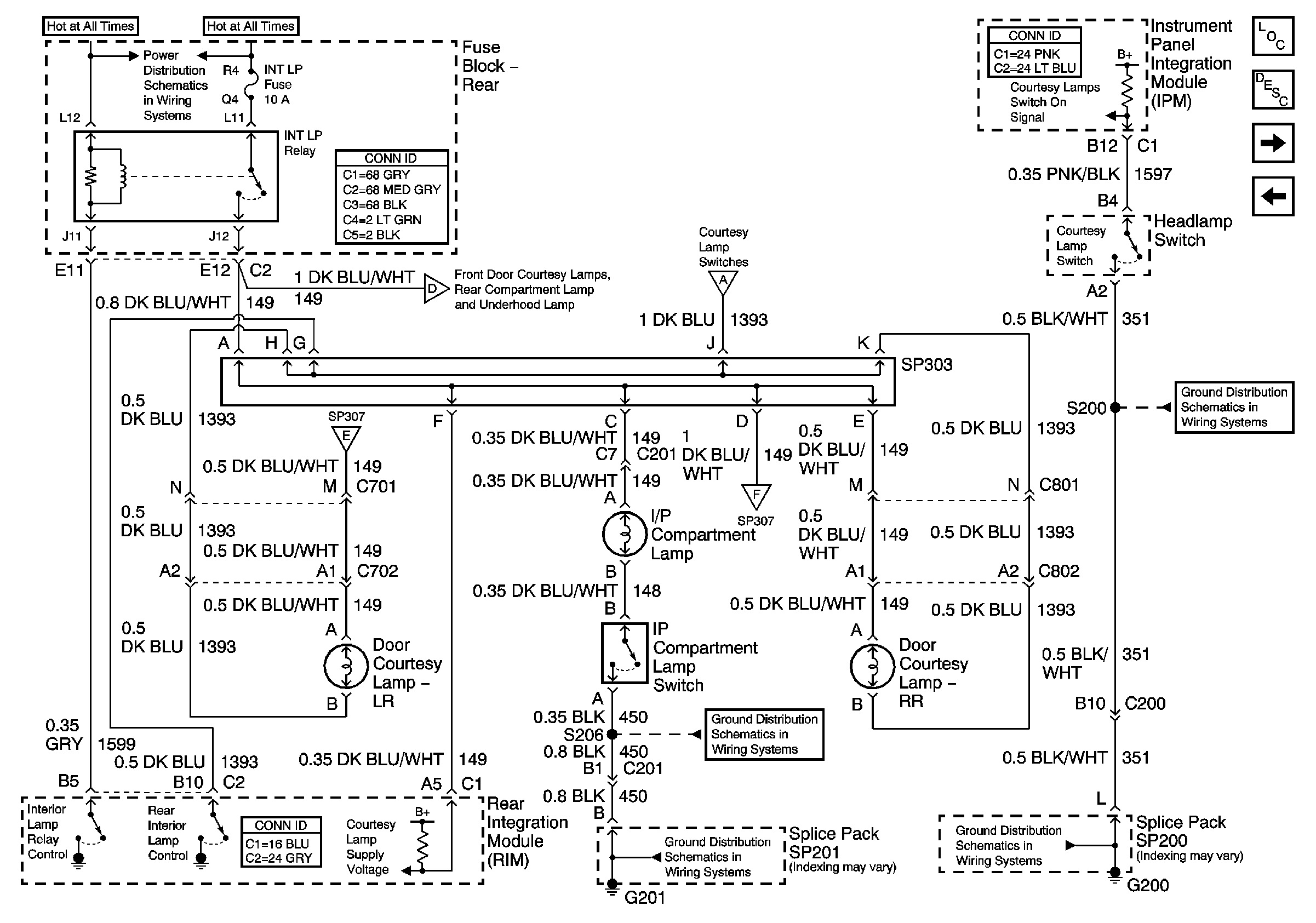
🢒 Interior Lamp Relay, Headlamp Switch, and Rear Door Courtesy Lamps
Interior Lamp Relay, Headlamp Switch, and Rear Door Courtesy Lamps
Interior Lamp Relay, Headlamp Switch, and Rear Door Courtesy Lamps
Master Electrical Component List
Interior Lighting Systems Description and Operation
Front Door Courtesy Lamps, Rear Compartment, and Underhood Lamps
Door Open Inputs
G200
Overhead Console, Vanity and Courtesy Lamps
Front Door Courtesy Lamps, Rear Compartment, and Underhood Lamps
G200
G201 2 of 3
G201 2 of 3
Front Door Courtesy Lamps, Rear Compartment, and Underhood Lamps
Front Door Courtesy Lamps, Rear Compartment, and Underhood Lamps
Rear Fuse Block Battery Voltage