GM Service Manual Online
For 1990-2009 cars only
Makes
🢒
Cadillac
🢒
2002
🢒
DeVille
🢒 Gauges
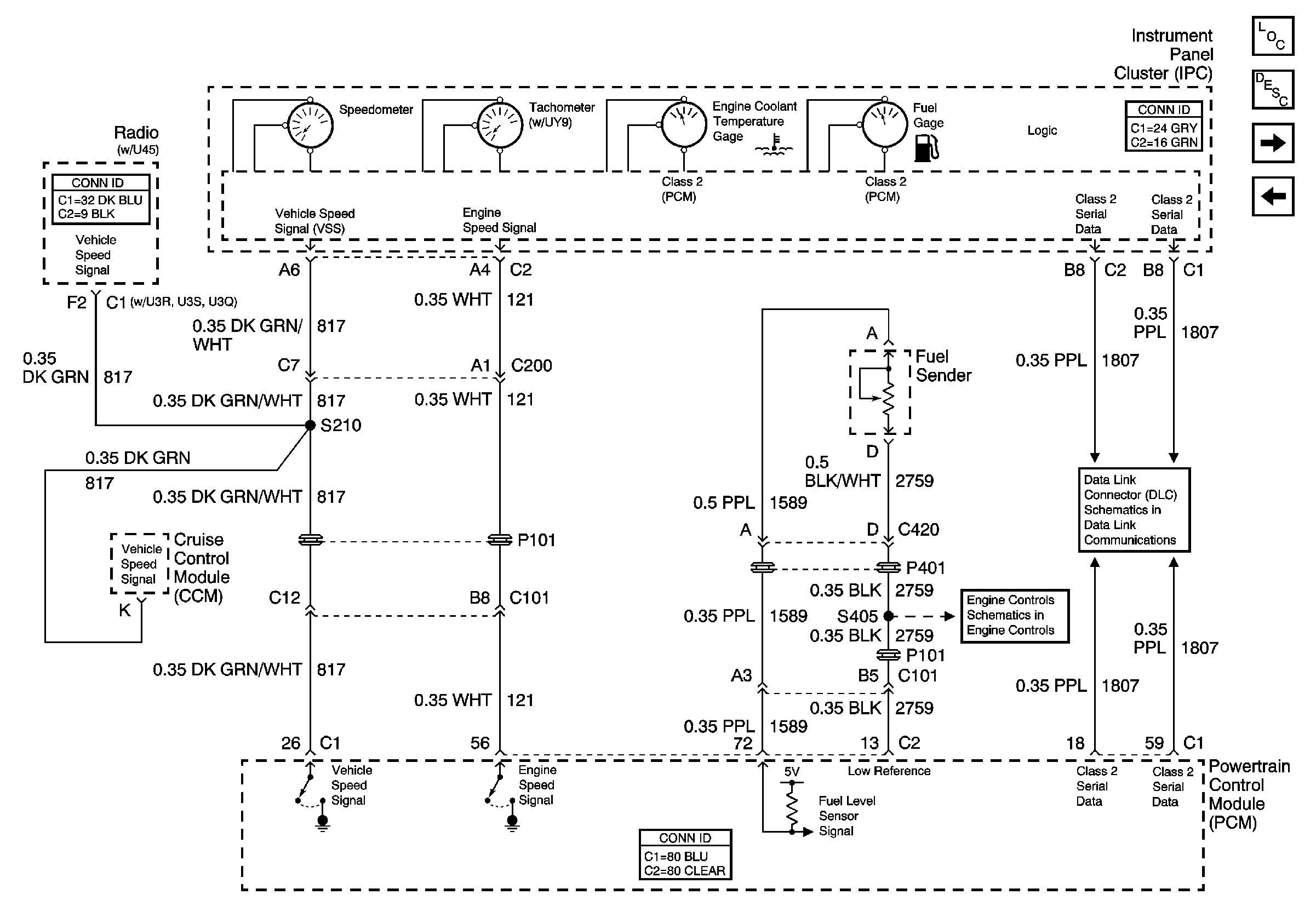
Gauges
Gages and Class 2
Master Electrical Component List
Instrument Cluster Description and Operation
Brakes and Engine Indicators
Power, Ground, Class 2 and 54V, VF Display Supply
Engine Data Sensors, MAF, VSS and Extended Brake Travel Switch
Class 2 Serial Data (1 of 3)
Engine Data Sensors - 5 Volt and Low Reference