GM Service Manual Online
For 1990-2009 cars only
Makes
🢒
Cadillac
🢒
2002
🢒
DeVille
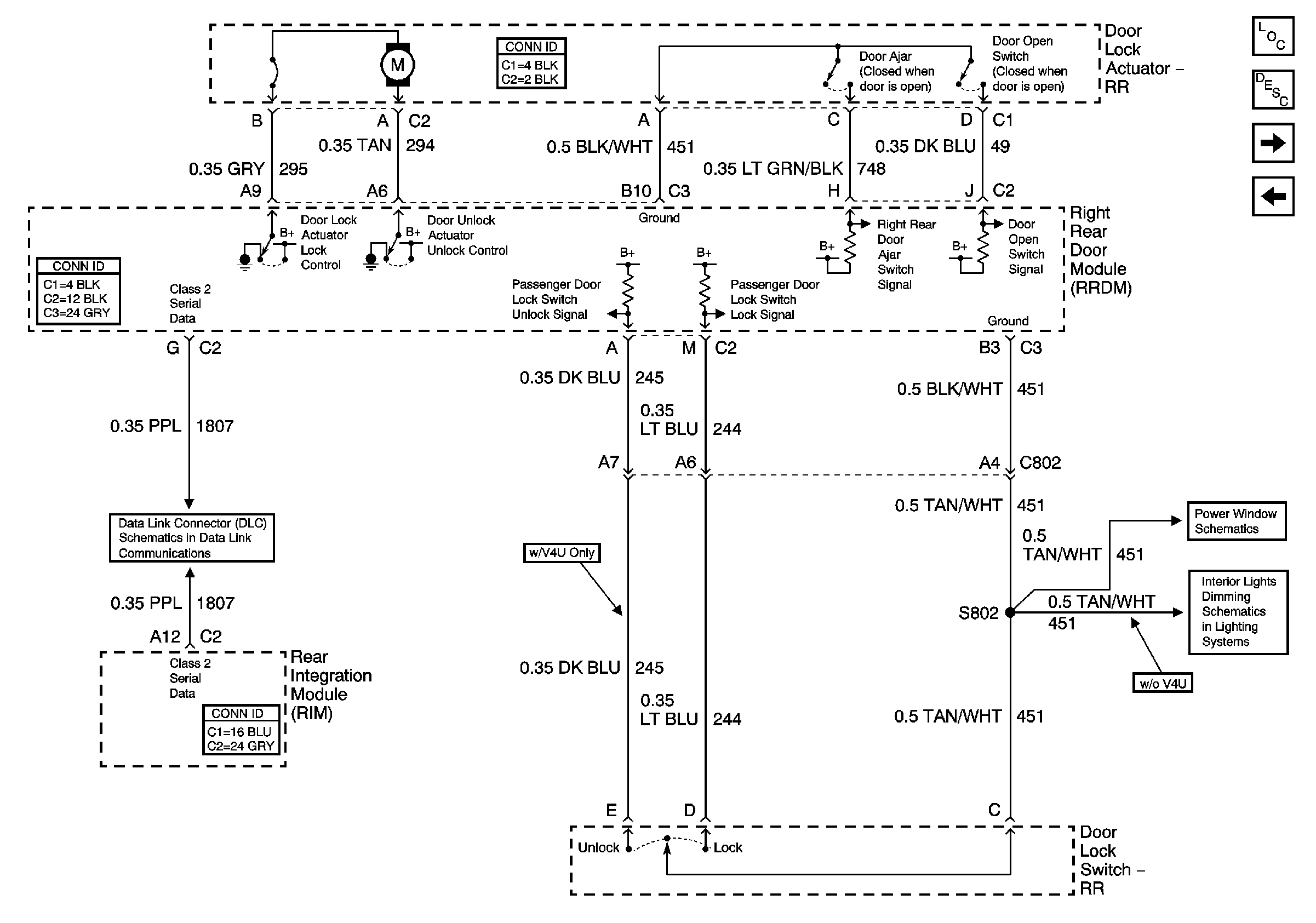
🢒 Right Rear Door Power Door Lock (w/o B9Q)
Right Rear Door Power Door Lock (w/o B9Q)
Right Rear Door Power Door Lock (w/o B9Q)
Master Electrical Component List
Power Door Locks Description and Operation
Power Door Locks Middle Door Release (w/V4U) 1 of 2
Right Middle Door Power Door Lock (w/V4U)
Front Passenger Power Window w/o Express and RR Passenger Power Window
Class 2 Serial Data (2 of 3)
Rear Door Dimming