GM Service Manual Online
For 1990-2009 cars only
Makes
🢒
Cadillac
🢒
2002
🢒
DeVille
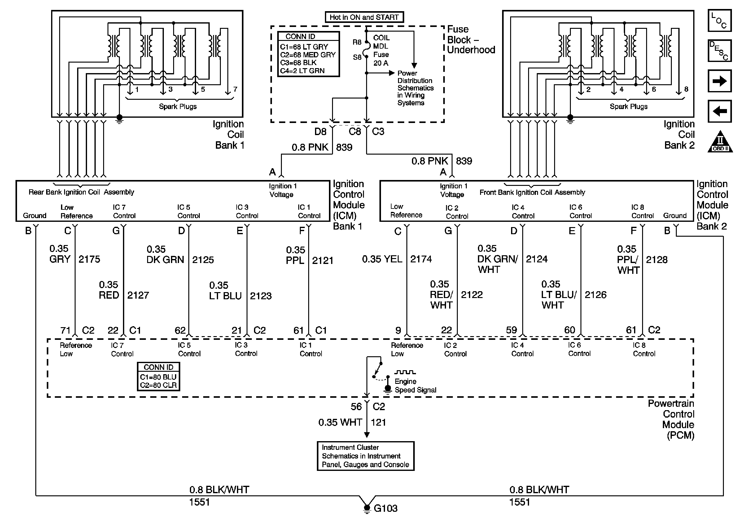
🢒 Ignition Controls - Ignition System
Ignition Controls - Ignition System
Ignition Controls and Ignition System
Master Electrical Component List
Powertrain Control Module Description
Ignition Controls - Sensors
Engine Data Sensors - O2S and / or HO2S
Data Link Communications Schematic Icons
Gauges
Oxy Sen, CR Cont, MDL Coil, Trans Fuses