GM Service Manual Online
For 1990-2009 cars only
Makes
🢒
Cadillac
🢒
2005
🢒
DeVille
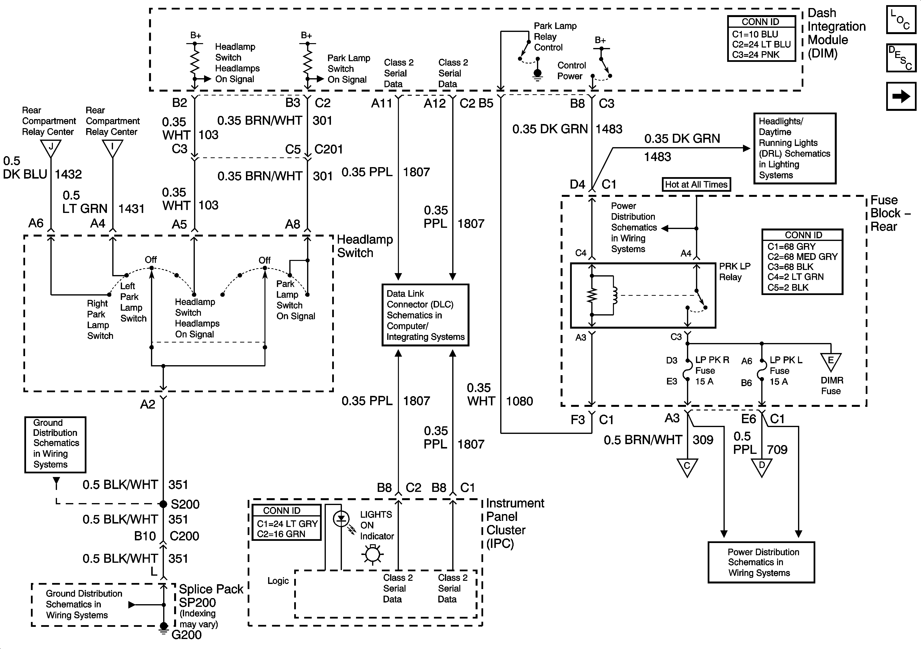
🢒 Headlamp Switch and Park Lamp Relay
Headlamp Switch and Park Lamp Relay
Headlamp Switch, Park Lamp Relay
Master Electrical Component List
Exterior Lighting Systems Description and Operation
Turn Signal/Flasher Module and Hazard Switch
Standing and Position Lamp Relays
Standing and Position Lamp Relays
Class 2 Serial Data (1 of 3)
DIMR, LP PK R, and LP PK L Fuses and PRK LP Relay
Low Beam Headlamps (Domestic)
G200
G200
Standing and Position Lamp Relays
Standing and Position Lamp Relays
License and Cornering Lamps
DIMR, LP PK R, and LP PK L Fuses and PRK LP Relay