GM Service Manual Online
For 1990-2009 cars only
Makes
🢒
Cadillac
🢒
2005
🢒
DeVille
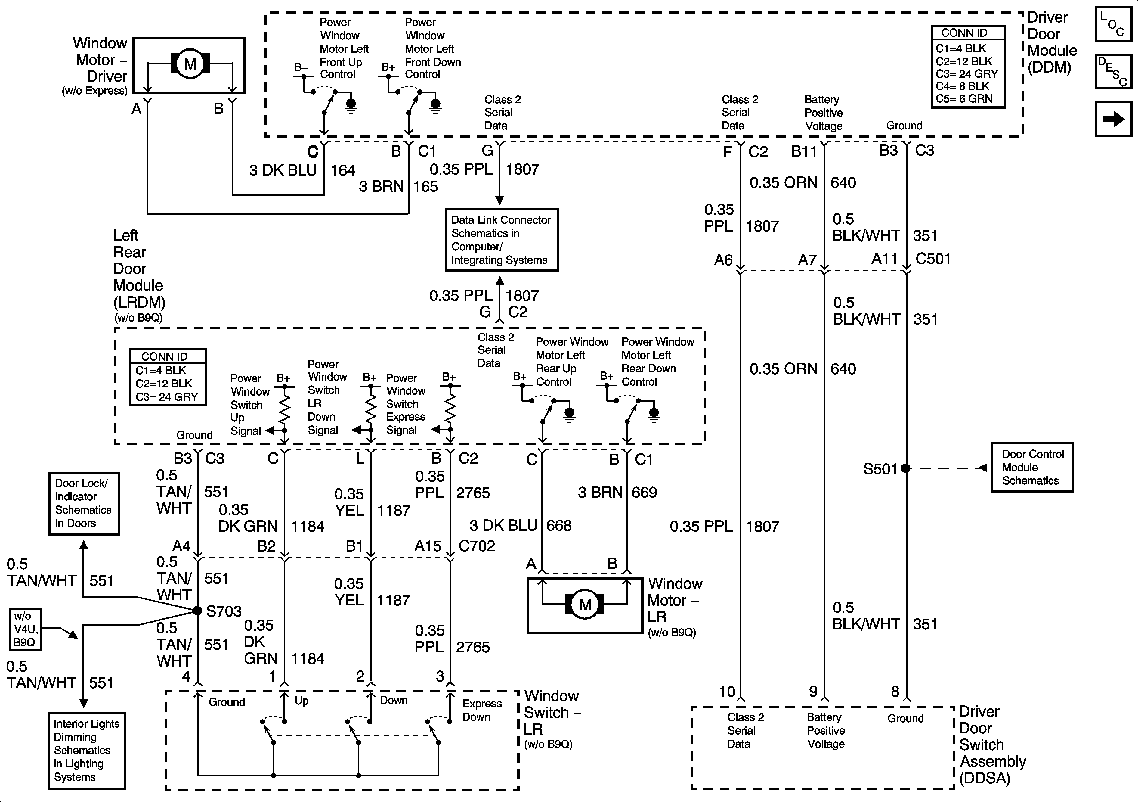
🢒 Left Power Windows
Left Power Windows
Left Power Windows
Master Electrical Component List
Power Windows Description and Operation
Right Power Windows
Class 2 Serial Data (3 of 3)
Left Rear Door Power Door Lock
Driver Door Module (DDM) Power, Ground, Inputs and Outputs - 1 of 2
Rear Door Dimming