GM Service Manual Online
For 1990-2009 cars only
Makes
🢒
Cadillac
🢒
2005
🢒
DeVille
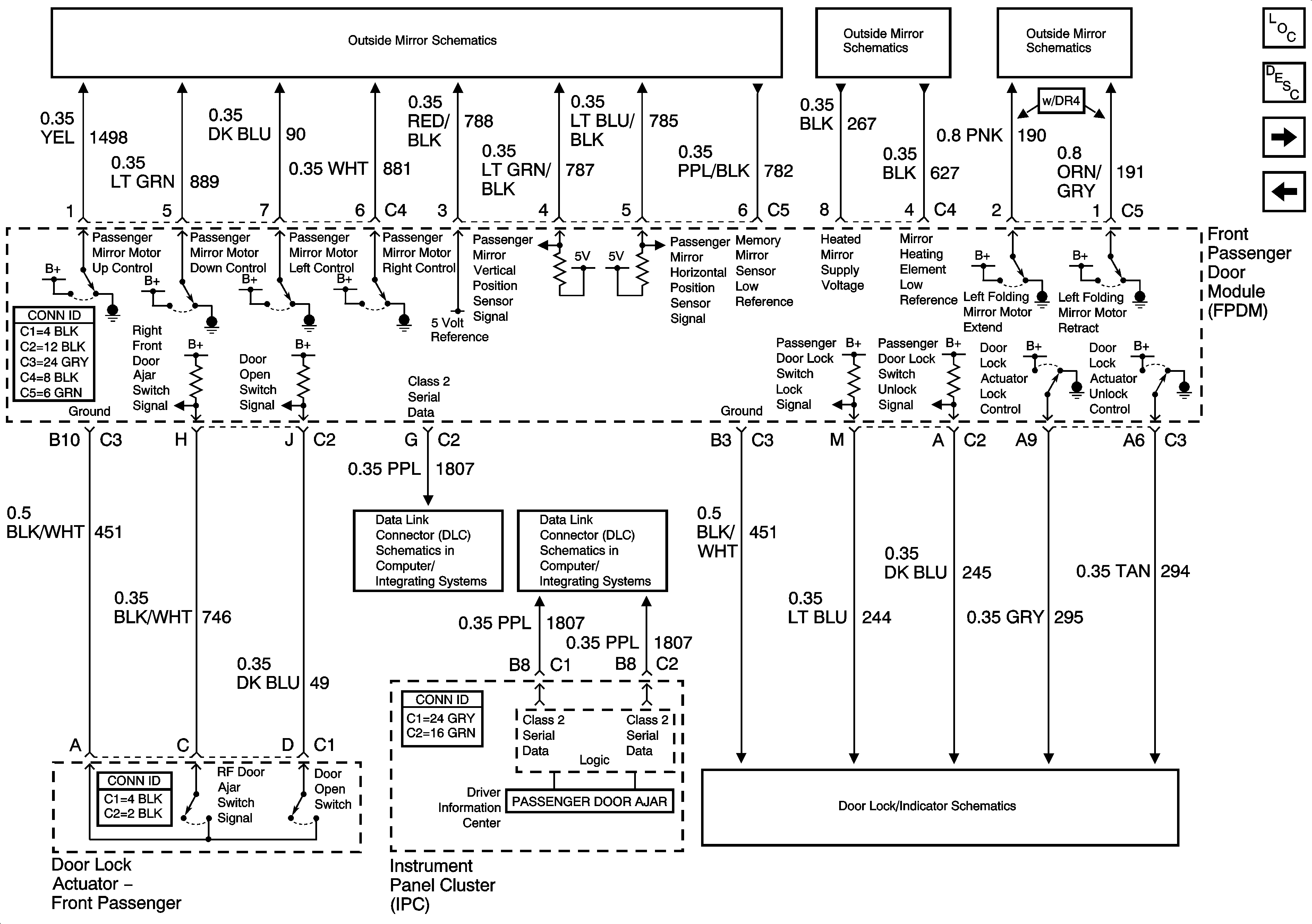
🢒 Front Passenger Door Module (FPDM) Power, Ground, Inputs and Outputs - 2 of 2
Front Passenger Door Module (FPDM) Power, Ground, Inputs and Outputs - 2 of 2
Front Passenger Door Module (FPDM) Power, Ground Inputs and Outputs - 2 of 2
Master Electrical Component List
Power Door Locks Description and Operation
Left Middle Door Module (LMDM) Power and Ground Inputs and Outputs (V4U)
Front Passenger Door Module (FPDM) Power, Ground, Inputs and Outputs - 1 of 2
Right Power Mirror w/ Memory (A45)
Heated Mirrors
Express Folding Mirrors (Japan)
Class 2 Serial Data (2 of 3)
Class 2 Serial Data (1 of 3)
Right Front Door Power Door Lock