GM Service Manual Online
For 1990-2009 cars only
Makes
🢒
Cadillac
🢒
2000
🢒
Eldorado
🢒 Body Control Module Inputs and Outputs (2 of 4)
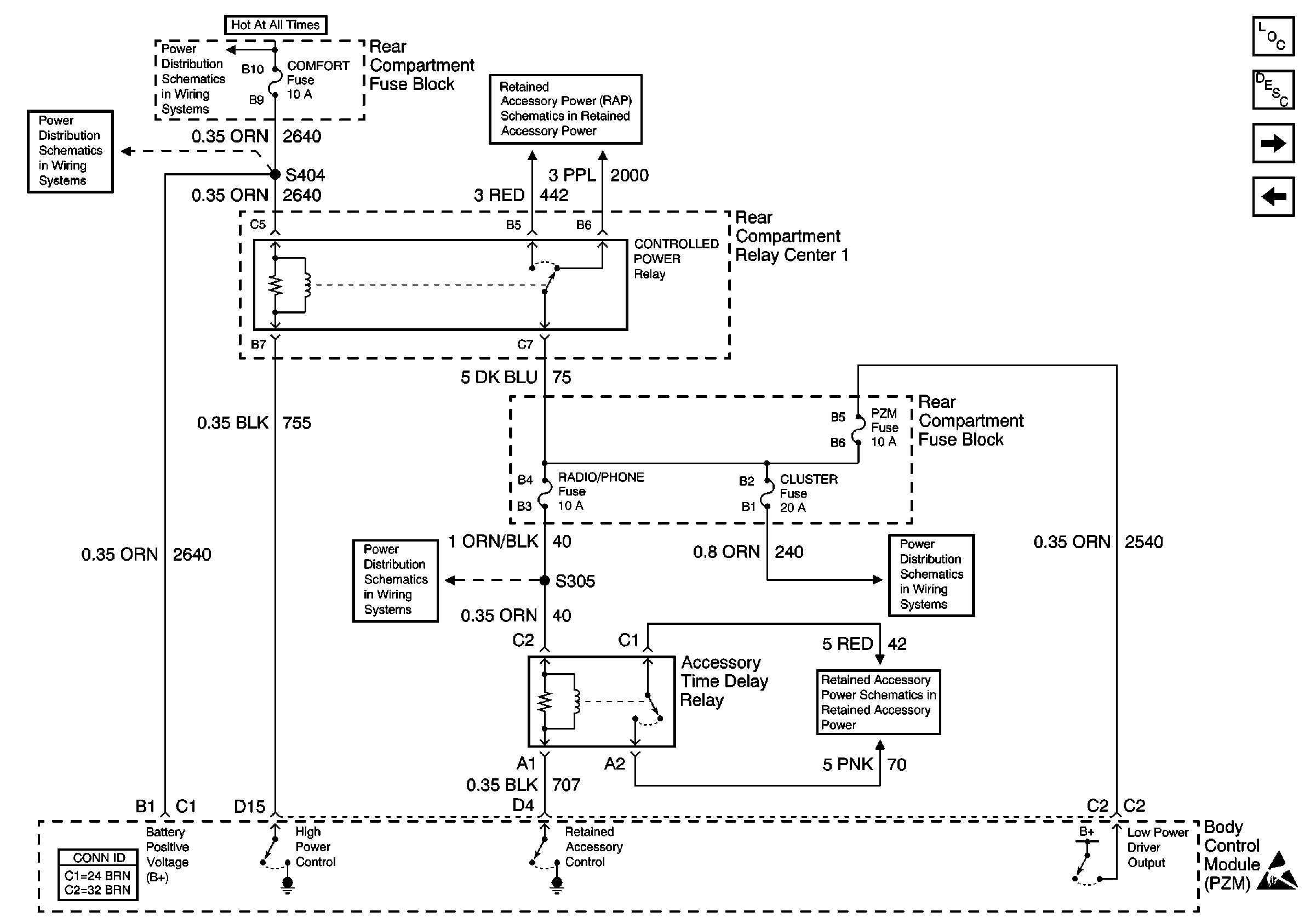
Body Control Module Inputs and Outputs (2 of 4)
Body Control Module Inputs and Outputs (2 of 4)
Body Control Module Inputs and Outputs (3 of 4)
Body Control Module Components
Body Control System Description
Body Control Module Inputs and Outputs (1 of 4)
COMFORT Fuse
BODY 3 and INADVERT Fuses
Power and Ground Circuits
RADIO/PHONE Fuse
WIPERS, ACC, and CLUSTER Fuses
Relay Circuits
Handling ESD Sensitive Parts Notice