GM Service Manual Online
For 1990-2009 cars only
Makes
🢒
Cadillac
🢒
2001
🢒
Eldorado
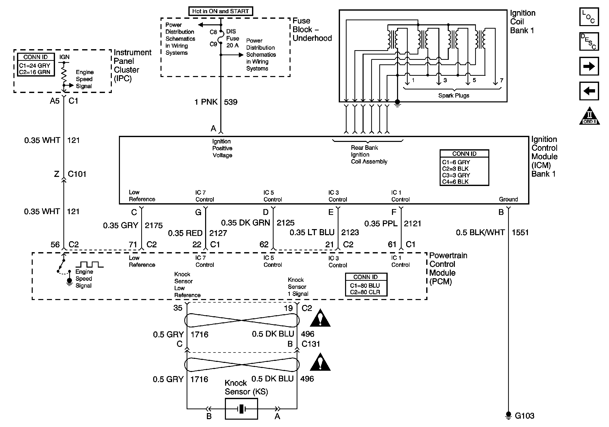
🢒 Ignition Control Module (Rear Bank)
Ignition Control Module (Rear Bank)
Ignition Control Module (Rear Bank)
Master Electrical Component List
Fuel Pump and Relay
Ignition Control Module (Front Bank)
OBD II Symbol Description Notice
BATT 2 Fuse and Ignition Switch (2 of 2)
CRUISE, DIS, and PCM (IGN) Fuses
Engine Controls Schematic Icons
Engine Controls Schematic Icons