GM Service Manual Online
For 1990-2009 cars only
Makes
🢒
Cadillac
🢒
2001
🢒
Eldorado
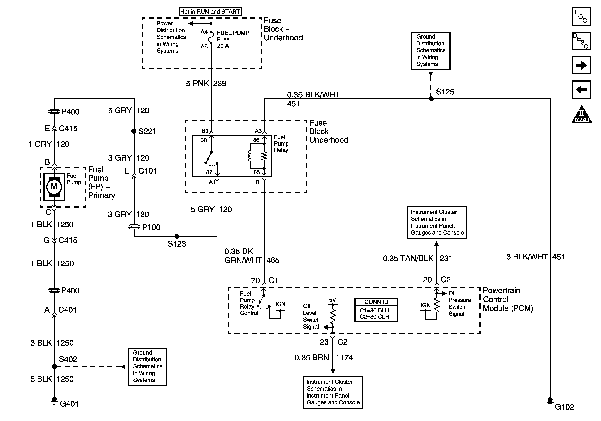
🢒 Fuel Pump and Relay
Fuel Pump and Relay
Fuel Pump and Relay
Master Electrical Component List
Fuel Injectors
Ignition Control Module (Rear Bank)
OBD II Symbol Description Notice
G401 (1 of 2)
IGN 1, COOL FANS, BATT 1, and BRAKES Fuses
G102
Gauges and MIL
Gauges and MIL