GM Service Manual Online
For 1990-2009 cars only
Makes
🢒
Cadillac
🢒
2001
🢒
Eldorado
🢒 Engine and Fuel Tank Sensors
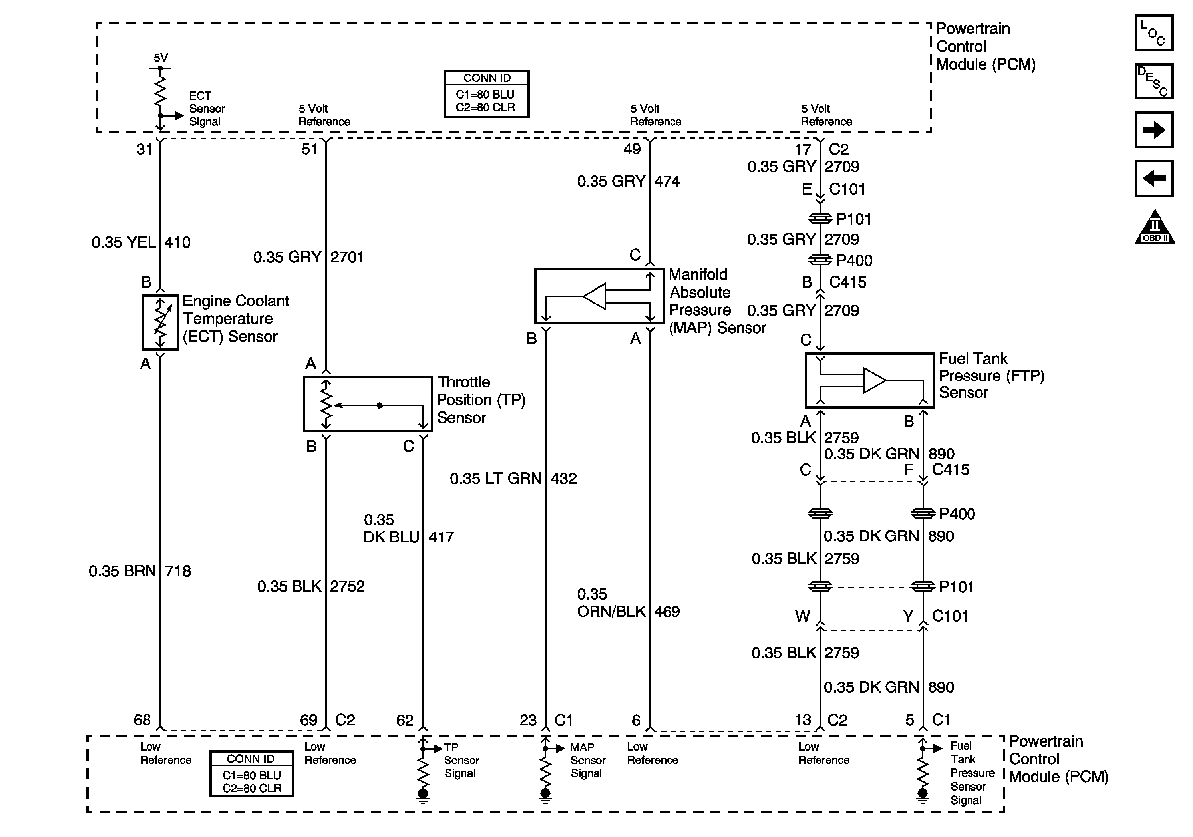
Engine and Fuel Tank Sensors
Engine and Fuel Tank Sensors
Master Electrical Component List
Heated Oxygen Sensors
Fuel Injectors
OBD II Symbol Description Notice