GM Service Manual Online
For 1990-2009 cars only
Makes
🢒
Cadillac
🢒
2001
🢒
Eldorado
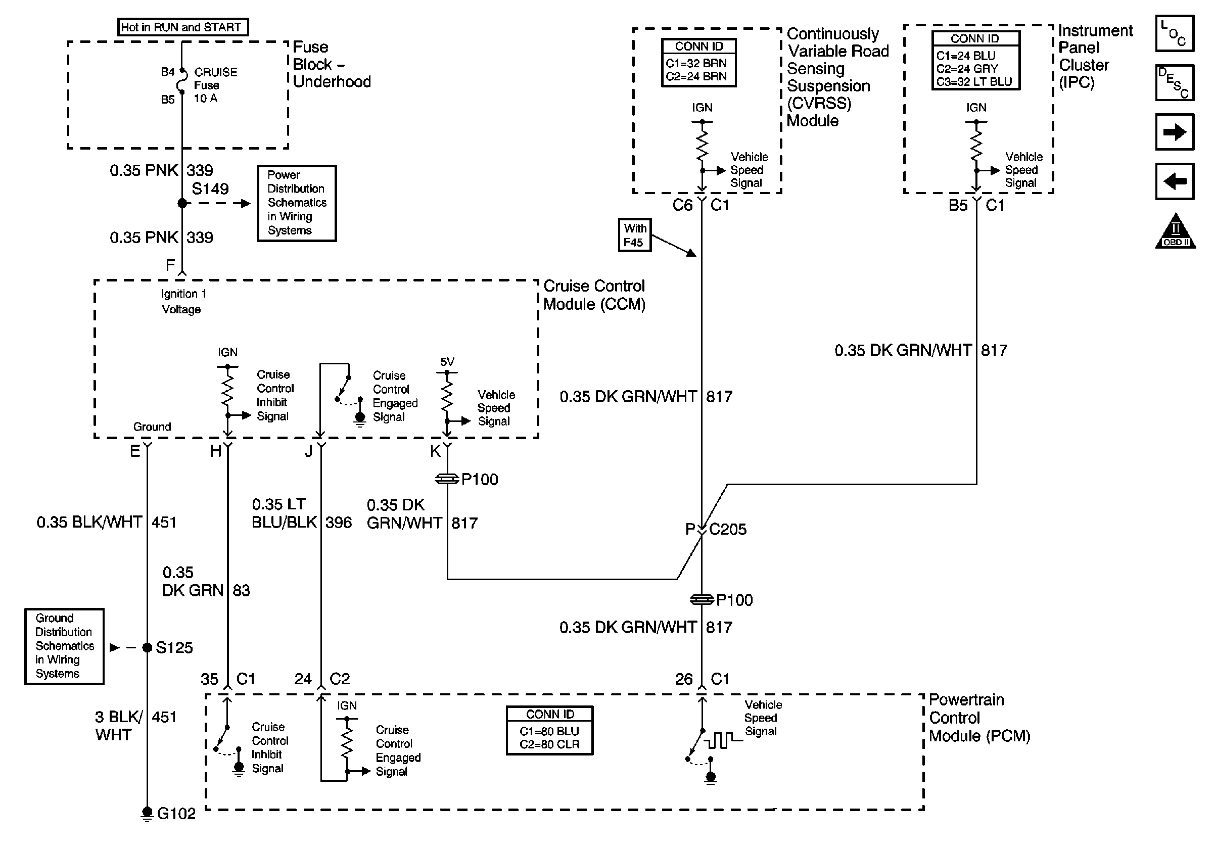
🢒 Vehicle Speed Output and Cruise Control Module
Vehicle Speed Output and Cruise Control Module
Vehicle Speed Output and Cruise Control Module
Master Electrical Component List
EBCM, Generator, A/C Relay and RSS
MAF Sensor, EVAP Components and EGR Valve
OBD II Symbol Description Notice
G102
CRUISE, DIS, and PCM (IGN) Fuses