GM Service Manual Online
For 1990-2009 cars only
Makes
🢒
Cadillac
🢒
2001
🢒
Eldorado
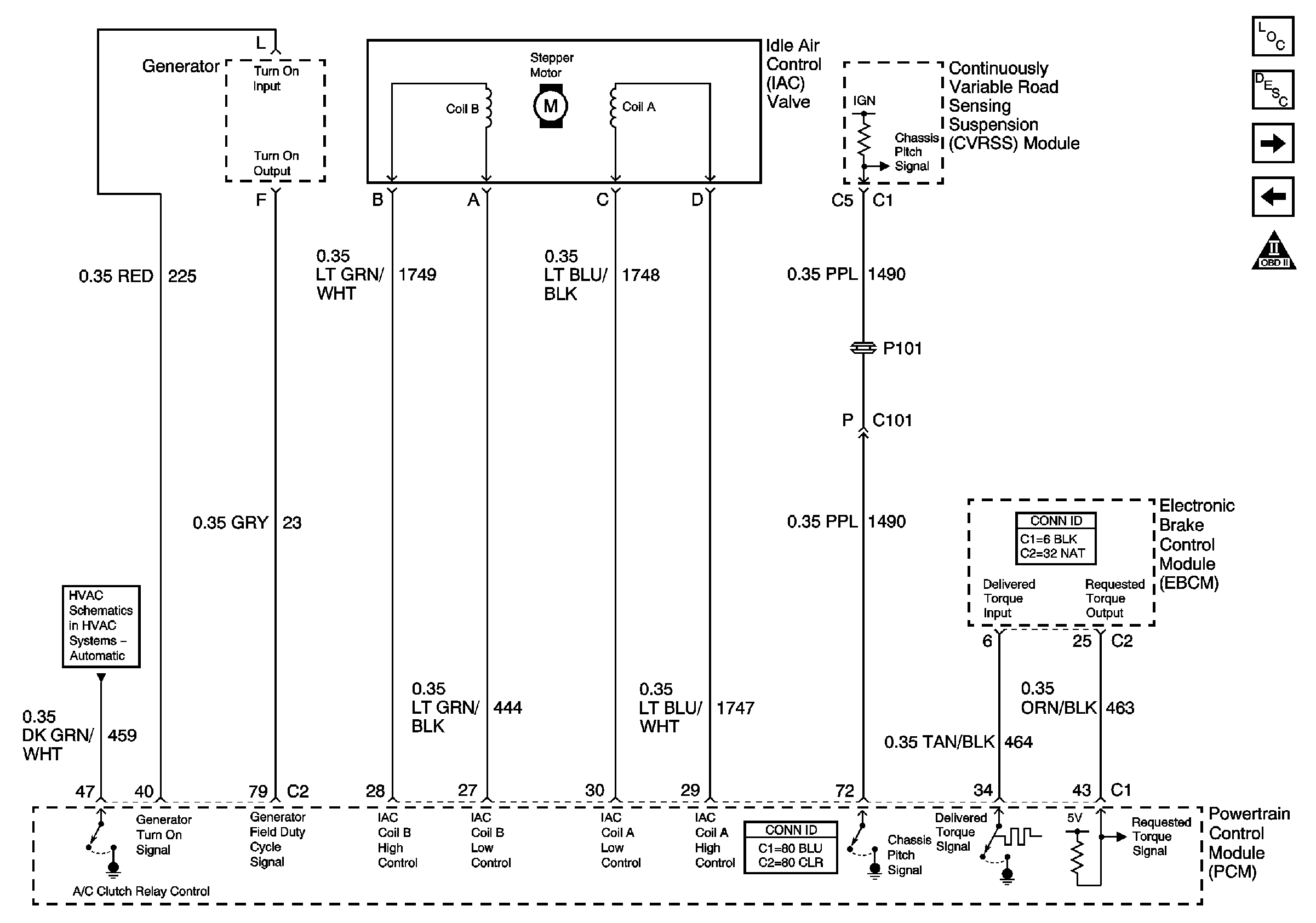
🢒 EBCM, Generator, A/C Relay and RSS
EBCM, Generator, A/C Relay and RSS
EBCM, Generator, A/C Relay and RSS
Master Electrical Component List
ABS/TCC Switch and Transaxle Solenoids
Vehicle Speed Output and Cruise Control Module
OBD II Symbol Description Notice
Compressor Control Pressure Switch