GM Service Manual Online
For 1990-2009 cars only
Makes
🢒
Cadillac
🢒
2001
🢒
Eldorado
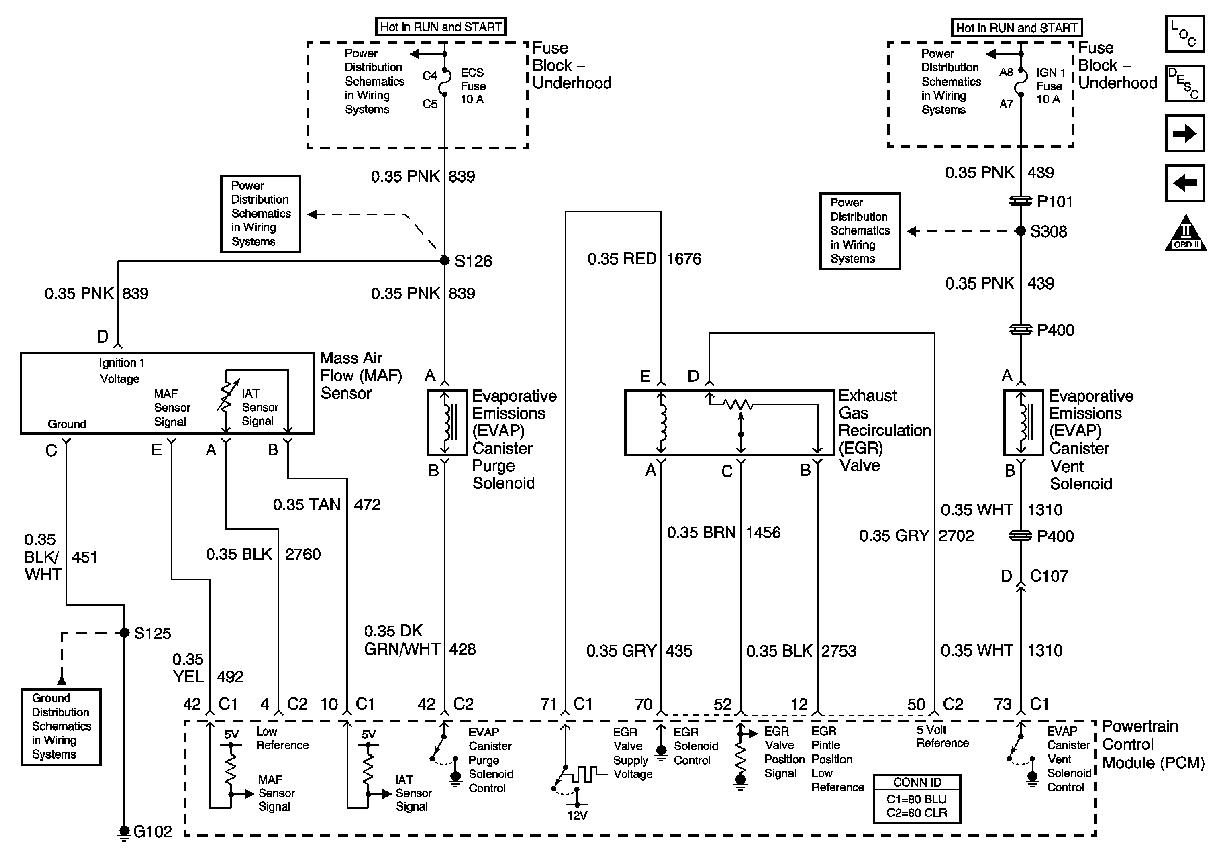
🢒 MAF Sensor, EVAP Components and EGR Valve
MAF Sensor, EVAP Components and EGR Valve
MAF Sensor, EVAP Components and EGR Valve
Master Electrical Component List
Vehicle Speed Output and Cruise Control Module
Heated Oxygen Sensors
OBD II Symbol Description Notice
G102
OXY SEN 1, OXY SEN 2, FUEL PUMP, ECS Fuses and FUEL PUMP Relay
BATT 2 Fuse and Ignition Switch (2 of 2)
ABS and IGN 1 Fuses
BATT 2 Fuse and Ignition Switch (2 of 2)