GM Service Manual Online
For 1990-2009 cars only
Makes
🢒
Cadillac
🢒
2001
🢒
Eldorado
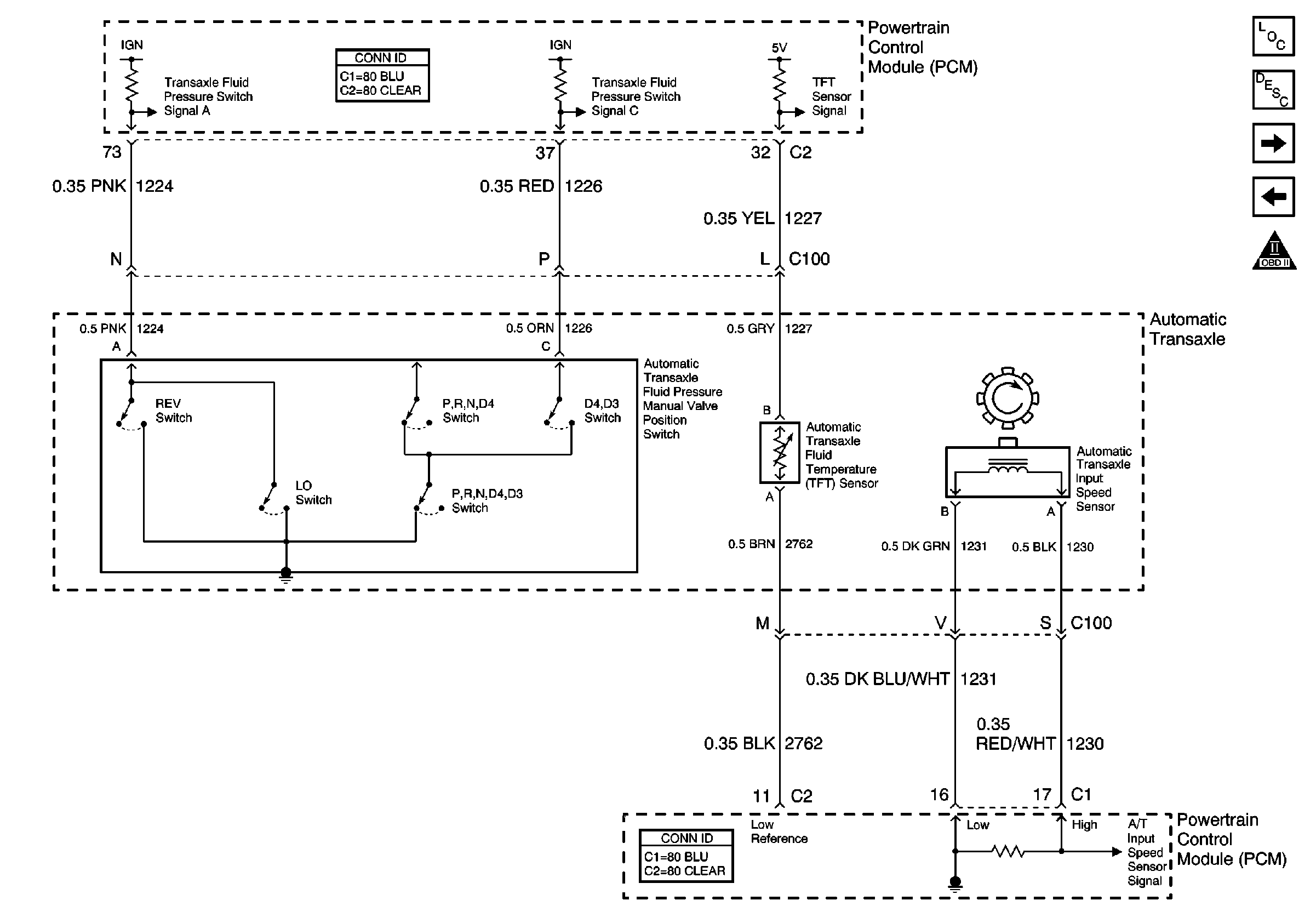
🢒 Transaxle Sensors and TR Switch
Transaxle Sensors and TR Switch
Transaxle Sensors and TR Switch
Master Electrical Component List
Transaxle IMS and VSS
ABS/TCC Switch and Transaxle Solenoids
OBD II Symbol Description Notice