GM Service Manual Online
For 1990-2009 cars only
Makes
🢒
Cadillac
🢒
2002
🢒
Eldorado
🢒
Body and Accessories
🢒
Wiring Systems
🢒 Theft Deterrent System Schematics
Figure
1:
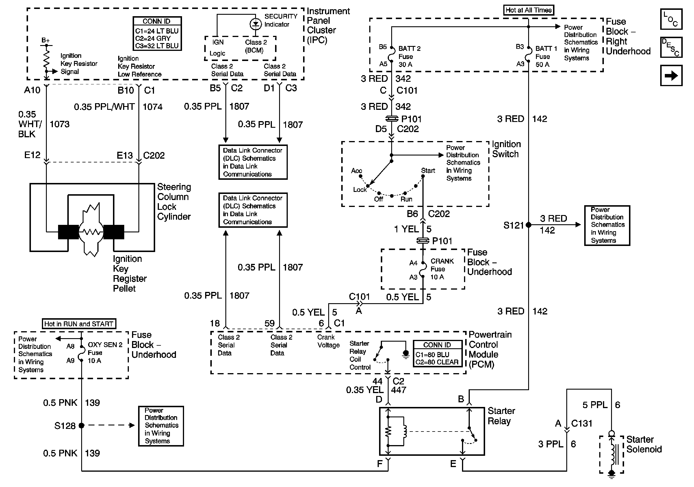
Vehicle Theft Deterrent (VTD) System
Master Electrical Component List
Vehicle Theft Deterrent (VTD) Description and Operation
Content Theft Deterrent (CTD)
IGN 1, COOL FANS, AIR, BATT 1, and BRAKES Fuses
BATT 2 Fuse and Ignition Switch (2 of 2)
Battery Feeds
Starter Solenoid Controls
Power, Ground, and Class 2 (2 of 2)
Power, Ground, and Class 2 (1 of 2)
Figure
2:
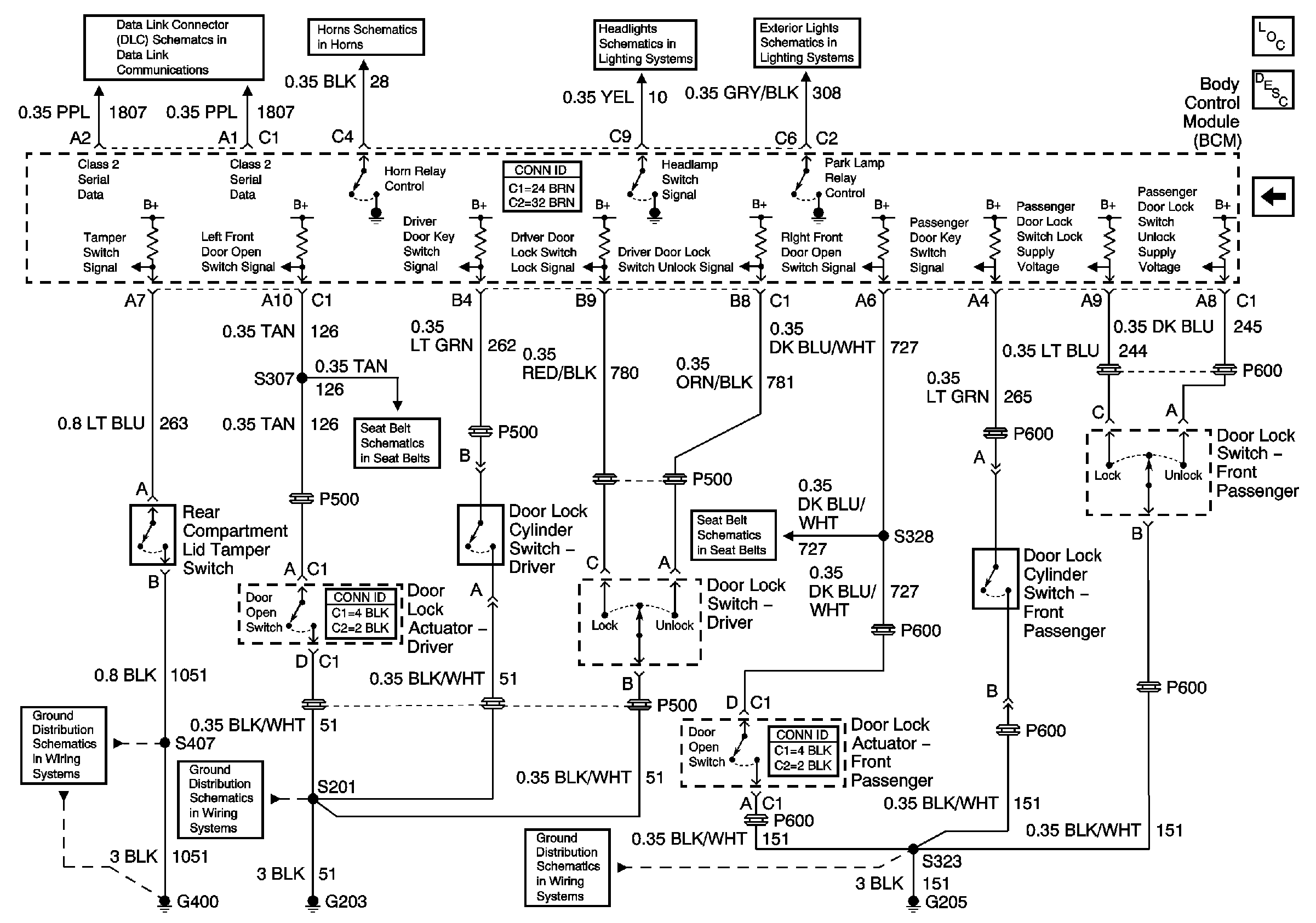
Content Theft Deterrent (CTD) System
Master Electrical Component List
Content Theft Deterrent (CTD) Description and Operation
Pass-Key® II
G400
Power, Ground, and Class 2 (1 of 2)
G203
Horns
Seat Belt Retractor Actuators and Door Lock Actuators
G205
Headlamp Switch and Headlamp Control
Headlamp Switch and Park Lamp Control
Seat Belt Retractor Actuators and Door Lock Actuators