GM Service Manual Online
For 1990-2009 cars only
Makes
🢒
Cadillac
🢒
2000
🢒
Escalade
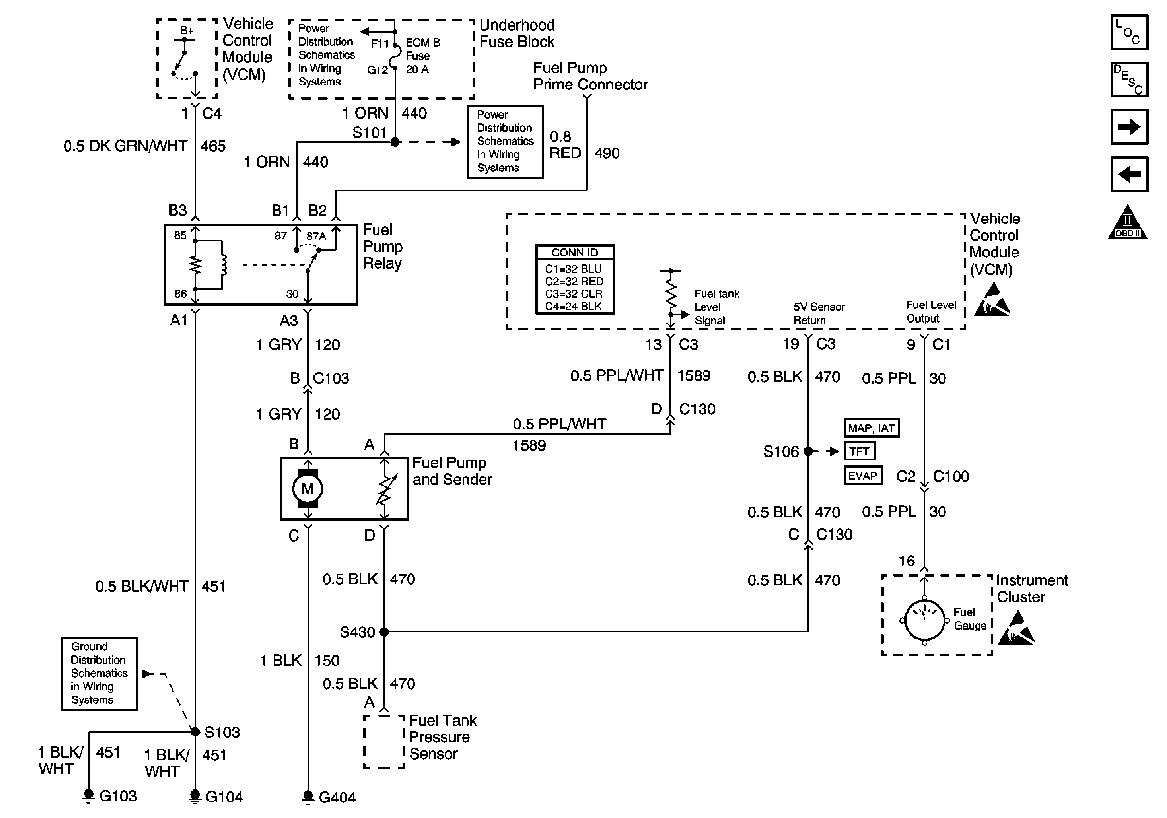
🢒 Fuel Pump Control-Single Tank
Fuel Pump Control-Single Tank
Fuel Pump Control--Single Tank
Engine Controls Components
Fuel Supply Component Description
Fuel Pump Control - Dual Tanks
Ignition Controls
OBD II Symbol Description Notice
Engine Data Sensors-MAP, IAT, ECT, and TP
ECM-B, HORN and A/C COMP Fuses
A/T Internal Switches, TFT, PC Solenoid (Both Transmissions)
EVAP and EGR Controls, Fuel Tank Pressure Sensor
G103 and G104
Handling ESD Sensitive Parts Notice
Handling ESD Sensitive Parts Notice
Gauges
Battery, and Underhood Fuse Block